EasyManua.ls Logo

Olympus CLH-SC - Circuit Diagrams

Olympus CLH-SC
31 pages
Print Icon
To Next Page IconTo Next Page
To Next Page IconTo Next Page
To Previous Page IconTo Previous Page
To Previous Page IconTo Previous Page
Loading...
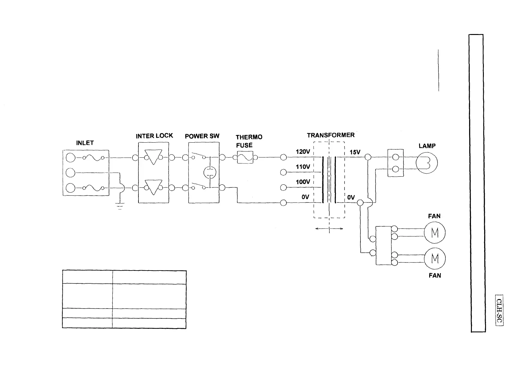
3.
CIRCUIT
DIAGRAM
CIRCUIT
DIAGRAM
3-1
UNIT NAME
120V
DATE
99-01
MODEL
CLH-SC
PAGE
1/4
120V

Related product manuals