EasyManua.ls Logo

Olympus CLH-SC - Page 12

Olympus CLH-SC
31 pages
Print Icon
To Next Page IconTo Next Page
To Next Page IconTo Next Page
To Previous Page IconTo Previous Page
To Previous Page IconTo Previous Page
Loading...
3-2
220V
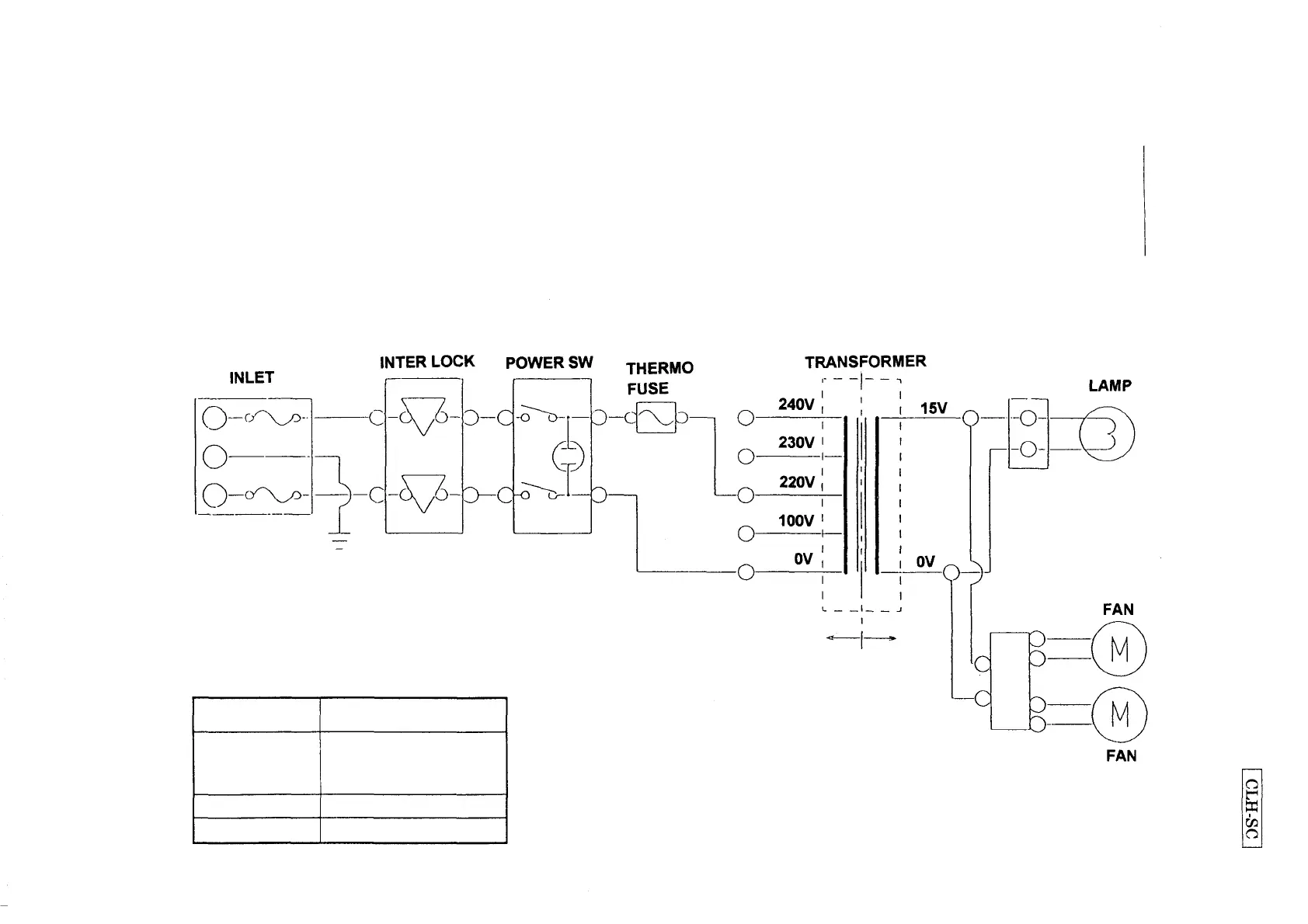
CIRCUIT
DIAGRAM
UNIT NAME
220V
DATE
99-01
MODEL
CLH-SC
PAGE
2/4

Related product manuals