EasyManua.ls Logo

Olympus CLH-SC - Page 13

Olympus CLH-SC
31 pages
Print Icon
To Next Page IconTo Next Page
To Next Page IconTo Next Page
To Previous Page IconTo Previous Page
To Previous Page IconTo Previous Page
Loading...
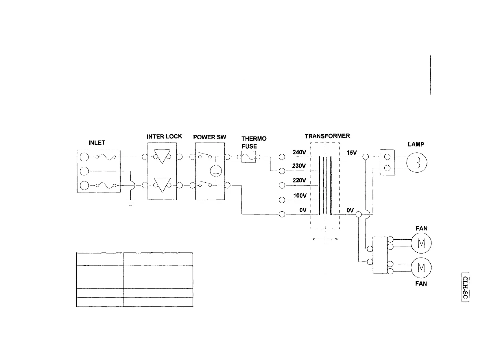
CIRCUIT DIAGRAM
3-3
230V
UNIT NAME
230V
DATE
99-01
MODEL
CLH-SC
PAGE
3/4

Related product manuals