EasyManua.ls Logo

Omron 3G3MV - Standard Connections

Omron 3G3MV
8 pages
Print Icon
To Next Page IconTo Next Page
To Next Page IconTo Next Page
To Previous Page IconTo Previous Page
To Previous Page IconTo Previous Page
Loading...
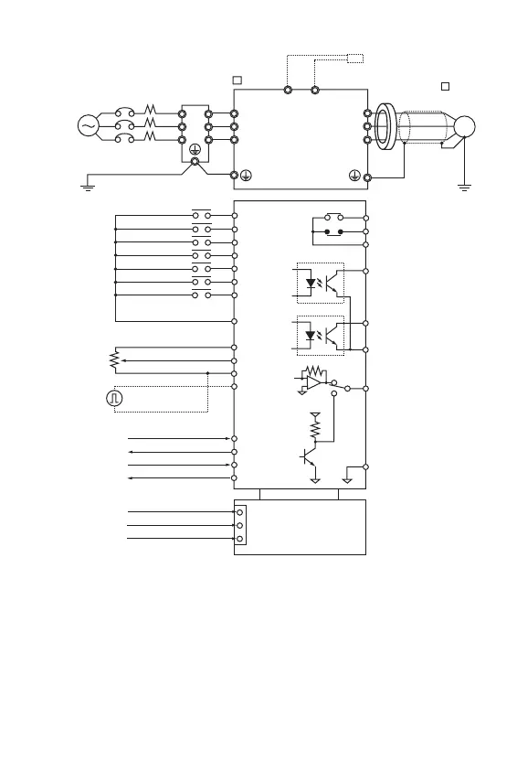
M
L1
L2
L3
R/L1
S/L2
T/L3
3-phase 200 V AC, single-phase
200 V AV or 3-phase 400 V AC
(See Note 1)
Noise Filter
Clamp core
Braking Resister
(optional)
B1 B2
U/T1
V/T2
W/T3
S1
S2
S3
S4
S5
S6
S7
MA
MB
MC
NO
SC
FS
FR
FC
RP
P1
P2
PC
AM
Common
Multi-function
photocoupler output 1
Multi-function
photocoupler ouput 2
Multi-function
photocoupler output
common
Multi-function analog output
common
Multi-function analog
output/Pulse monitor
output
1
2
3
CN2
Connector
Digital Operator
Multi-function analog voltage input
Multi-function analog current input
Analog input common
R+
R-
S+
S-
AC
(See Note 2)
}
Multi-function input 1
Multi-function input 2
Multi-function input 3
Multi-function input 4
Multi-function input 5
Multi-function input 6
Multi-function input 7
Sequence input common
Frequency reference power
supply 20mA at +12V
Frequency reference input
Frequency reference common
Pulse train input
3G3MV PFI
Multi-function contact output
NC
L1í
L2í
L3í
Note: Connector on CN2 wiring side:
3G3MV PCN-CN2
RS-422
communications
RS-485 selection
Pulse
generator
External frequency
adjuster
(2 k 1/4 W min.)
3G3IVPF00C/
Standard Connections
Note 1: Connect single-phase 200 V AC to terminals R/L1 and S/L2 of the 3G3MV-AB.
Note 2: By using pin 2 of SW2, voltage input or current input can be selected as a frequency reference input.

Related product manuals