EasyManua.ls Logo

Omron C200HX Series - Page 147

Omron C200HX Series
241 pages
To Next Page IconTo Next Page
To Next Page IconTo Next Page
To Previous Page IconTo Previous Page
To Previous Page IconTo Previous Page
Loading...
Appendix BSpecifications
135
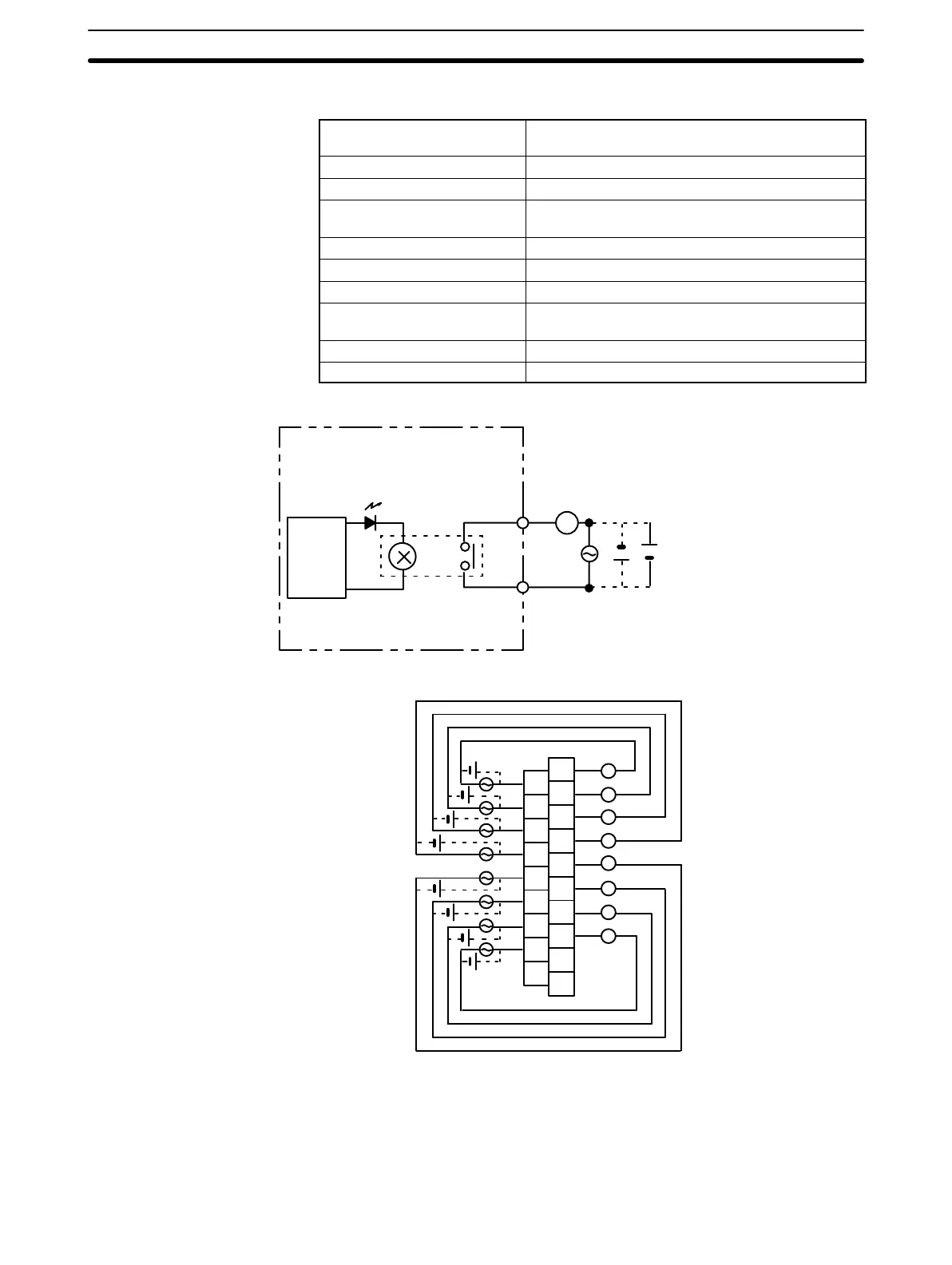
Contact Output Unit C200H-OC224V
Max. Switching Capacity
2 A 250 VAC (cosf = 1), 2 A 250 VAC (cosf =
0.4), 2 A 24 VDC (16 A/Unit)
Min. Switching Capacity 10 mA 5 VDC
Relay G6R-1 (24 VDC) w/socket
Service Life of Relay Electrical: 300,000 operations
Mechanical: 10,000,000 operations
ON Response Time 15 ms max.
OFF Response Time 15 ms max.
No. of Circuits 8 independent contacts
Internal Current Consumption 10 mA 5 VDC max. 90 mA 26 VDC (8 points ON
simultaneously.)
Weight 350 g max.
Dimensions B-shape
Circuit Configuration
Internal
Circuit
L
Output indicator
250 VAC 24 VDC max.
OUT
OUTc
Terminal Connections
B0
B1
B2
B3
B4
B5
B6
B7
B8
B9
A0
A1
A2
A3
A4
A5
A6
A7
A8
c0
c1
c2
c3
c4
c5
c6
c7
L
L
L
L
L
L
L
L
0
1
2
3
4
5
6
7
250 VAC 24 VDC max.
(inductive load: 2 A
resistive load: 2 A)
(16 A/Unit)
NC
NC
NC

Table of Contents

Other manuals for Omron C200HX Series

Related product manuals