EasyManua.ls Logo

Omron C200HX Series

Omron C200HX Series
241 pages
To Next Page IconTo Next Page
To Next Page IconTo Next Page
To Previous Page IconTo Previous Page
To Previous Page IconTo Previous Page
Loading...
70
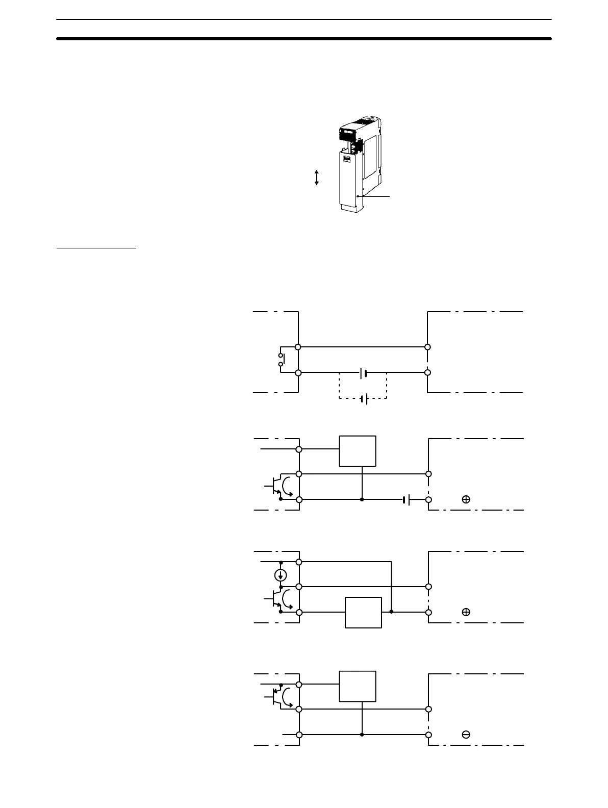
I/O Unit Covers A C200H-COV11 Cover is provided as an I/O Unit cover for Units that use 10P
terminal block connectors. After the I/O wiring has been completed, slide the
cover up from the bottom, as shown in the illustration below. These Covers
should be applied whenever the extra protection is required.
Attach
Remove
I/O Unit cover
Input Devices
Observe the following information when selecting or connecting input devices.
DC Input Units The following types of DC input devices can be connected.
+
COM
NPN current output
IN DC Input Unit
0 V
Output
7 mA
Sensor
Power
Supply
Current
regulator
+
COM
NPN open-collector output
Sensor
Power
Supply
IN DC Input Unit
0 V
Output
7 mA
+
COM
PNP current output
Sensor
Power
Supply
IN AC/DC Input Unit
0 V
Output
7 mA
COM
Contact output
IN DC Input Unit
Wiring
Section 3-2

Table of Contents

Other manuals for Omron C200HX Series

Related product manuals