EasyManua.ls Logo

Omron C200HX Series - Page 87

Omron C200HX Series
241 pages
To Next Page IconTo Next Page
To Next Page IconTo Next Page
To Previous Page IconTo Previous Page
To Previous Page IconTo Previous Page
Loading...
75
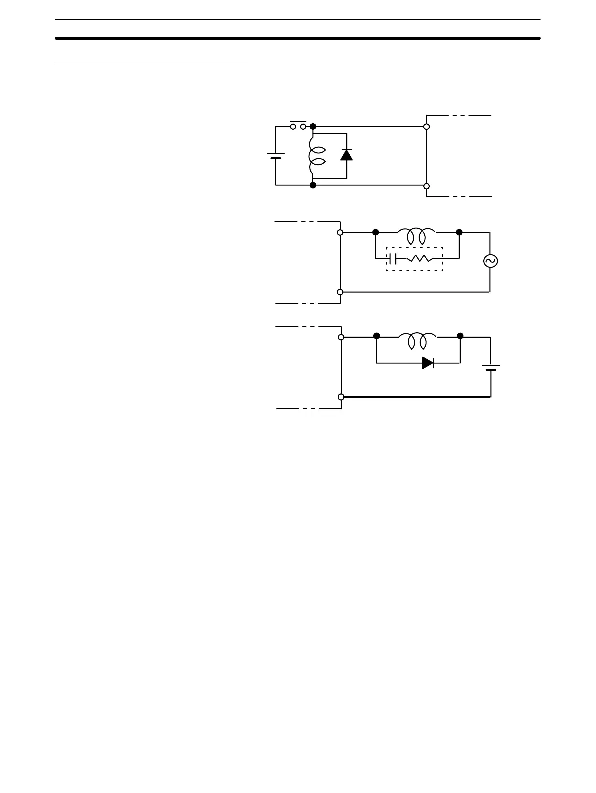
Inductive Load Surge Suppressor
When an inductive load is connected to an I/O Unit, it is necessary to connect a
surge suppressor or diode in parallel with the load as shown below. This is so
that the back EMF generated by the load will be absorbed.
Contact Output Unit
Transistor Output Unit
L
OUT
COM
Surge suppressor
L
OUT
COM
Contact Output Unit
Triac Output Unit
+
Diode
L
IN
COM
Diode
DC input
Note Use surge suppressors and diodes with the following specifications.
Surge Suppressor
Resistance: 50
Capacitor: 0.47 µF
Voltage: 200 V
Diode
Leading-edge peak inverse voltage: At least 3 times load voltage
Average rectified current: 1 A
Wiring
Section 3-2

Table of Contents

Other manuals for Omron C200HX Series

Related product manuals