EasyManua.ls Logo

Omron F3SJ-E P25 Series - Page 68

Omron F3SJ-E P25 Series
152 pages
Print Icon
To Next Page IconTo Next Page
To Next Page IconTo Next Page
To Previous Page IconTo Previous Page
To Previous Page IconTo Previous Page
Loading...
52
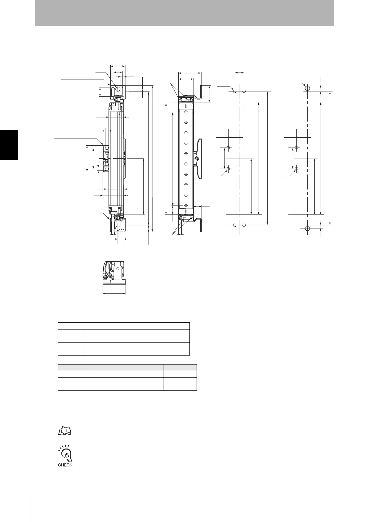
Chapter3 Dimensions
F3SJ-E/B
User’s Manual
Wiring/Installation
Side mounting
Bracket mounting procedure (Mounting) p.71
- If the protective height is more than 1105 mm, use Intermediate Brackets of specified quantities and locations
according to the dimensions. If the brackets described above are not used, ratings and performance cannot be met.
- When you use a sensor in a situation where the sensor is under a load, add an Intermediate Bracket.
12
34.5
Top/Bottom Bracket
(F39-LJB1)
Top/Bottom Bracket
(F39-LJB1)
Intermediate Bracket
(F39-LJB2)
E
[ Unit : mm ]
13.4
34
42
53
42
5.5
30
7
18.3
dia.9
30
19
6.5
7.5
B
A
22.5
D
C (Protective height)
16
46
30
45
<M5 screw fixed> <M8 screw fixed>
19
B
B
E
C
C
E
42
42
5.9 5.9
22 22
4-M5
2-M8
2-M5 2-M5
M3 x 6 screw
M3 x 6 screw
Dimensions A to E
Dimensions E
* Value E must be 700 mm or less when not using value E obtained from the calculation above.
AC+69
BC+42.2
C 4-digit number of the type name (protective height)
DC-45
E Depends on the protective height. See the table below.
Protective height Number of Intermediate Brackets Dimensions E
0185 to 1105 0 -
1185 to 1345 1 C/2 max.
1425 to 2065 2 C/3 max.

Table of Contents

Related product manuals