EasyManua.ls Logo

Omron R88M-W - Page 229

Omron R88M-W
477 pages
To Next Page IconTo Next Page
To Next Page IconTo Next Page
To Previous Page IconTo Previous Page
To Previous Page IconTo Previous Page
Loading...
3-16
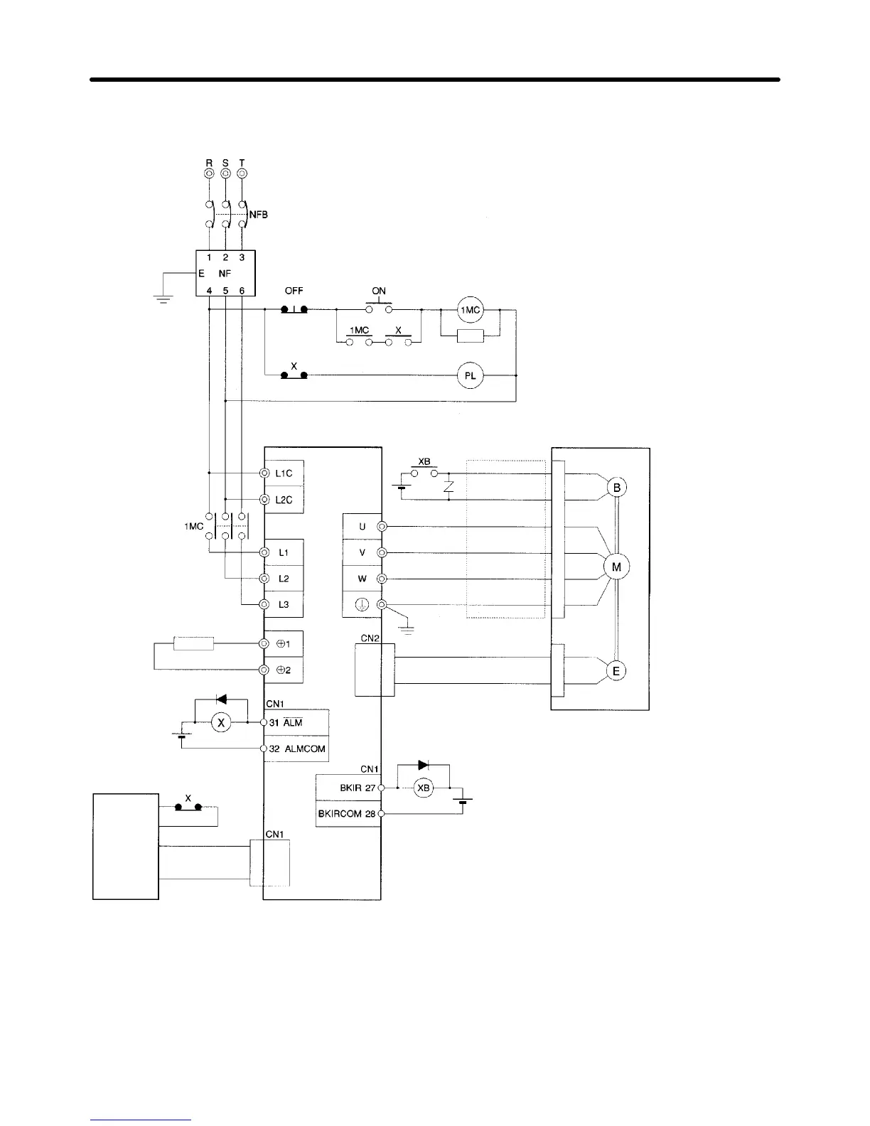
H R88D-WT05H/-WT08H/-WT10H/-WT15H/-WT20H/-WT30H/-WT50H/-WT60H/-WT75H/
-WT150H
Three-phase 200/230 V AC 50/60 Hz
Noise filter (See note 2.)
24 V DC
24 V DC
(See note 3.)
24 V DC
(See note 1.)
Main-circuit power supply
Main-circuit connector (See note 2.)
Surge killer (See note 2.)
Servo error display
Class-3 ground
Power Cable
OMNUC W-series
AC Servo Driver
Class-3 ground
Encoder Cable
OMNUC W-series
AC Servomotor
User-
controlled
device
Control cable
DC Reactor
Note 1. Set by user parameter Pn50F.
2. Recommended product in 3-2-4 Wiring for Noise
Resistance. For conformity to EC Directives, refer to
3-2-5 Wiring for Conformity to EMC Directives.
3. Recommended relay: MY relay (24 V), by OMRON.
For example, an MY2 Relay outputs to a 2-A
inductive load at 24 V DC, making it applicable to all
W-series Motors with Brakes.
4. Refer to 6-3 Single-phase Power for 3,000-r/min
(750-W) Servomotors when using an R88D-WT08H
with single-phase 200-V power supply.
5. The brake is not affected by the polarity of the
power supply.
(See note 4.)
(See note 5.)
System Design and Installation
Chapter 3

Table of Contents

Related product manuals