EasyManua.ls Logo

Omron S82K - Page 10

Omron S82K
20 pages
Print Icon
To Next Page IconTo Next Page
To Next Page IconTo Next Page
To Previous Page IconTo Previous Page
To Previous Page IconTo Previous Page
Loading...
S82K
S82K
10
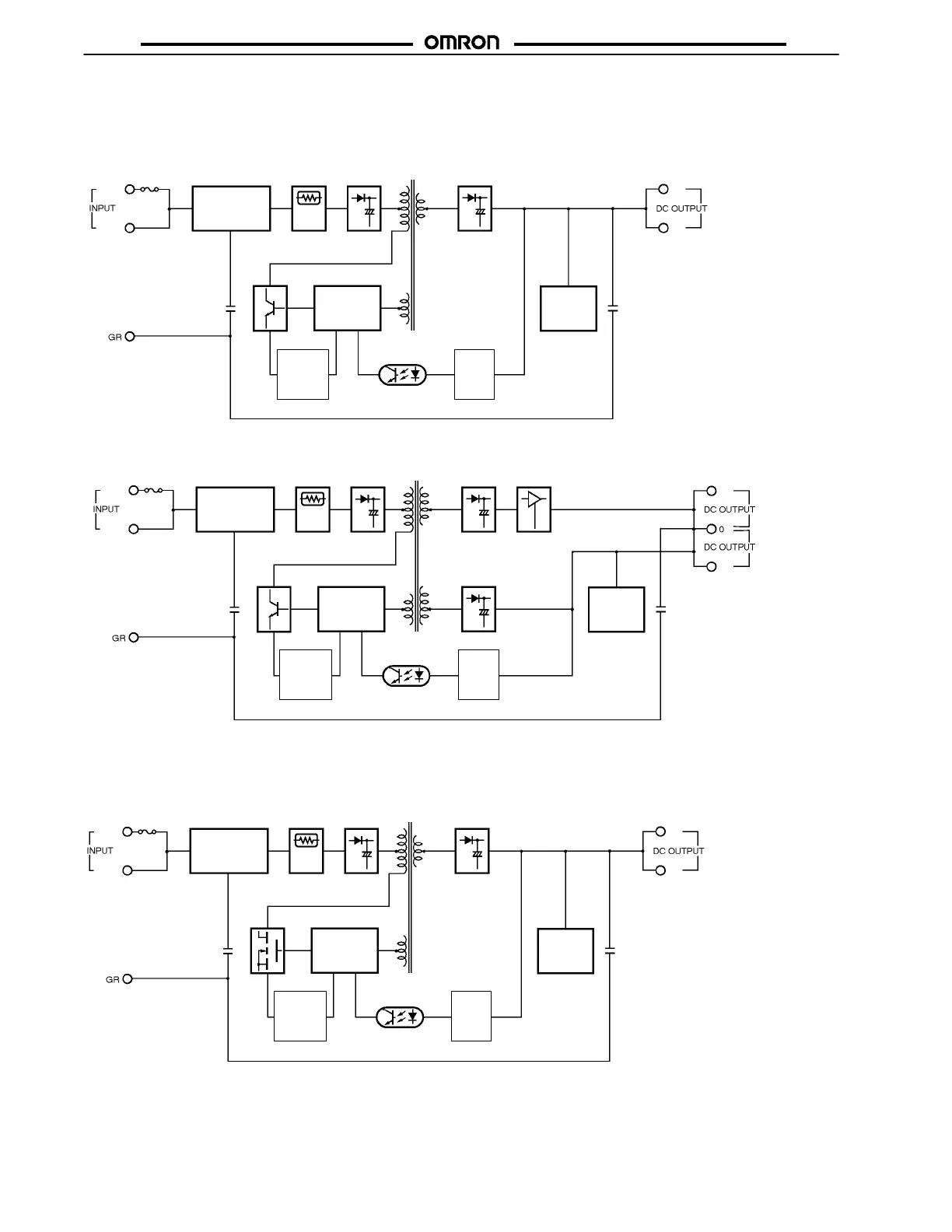
BLOCK DIAGRAMS
S82K-003 (3 W)
S82K-007 (7.5 W, Single Output)
Fuse (1 A)
Noise filter
Inrush current
protection circuit
Rectifier
Drive control
circuit
Photocoupler
AC (L)
AC (N)
Rectifier
– V
+ V
Undervoltage
alarm
indicator
Overload
alarm
circuit
Detector
S82K-007 (7.5 W, Dual Outputs)
Fuse (1 A)
Noise filter
Inrush current
protection circuit
Rectifier
Drive control
circuit
Photocoupler
AC (L)
AC (N)
Rectifier
– V
+ V
Rectifier
Undervoltage
alarm
indicator
3-terminal
REG
Overload
alarm
circuit
Detector
Fuse (3 A)
Noise filter
Inrush current
protection circuit
Rectifier
Drive control
circuit
Photocoupler
AC (L)
AC (N)
Rectifier
– V
+ V
Undervoltage
alarm
indicator
Overload
alarm
circuit
Detector
S82K-015 (15 W)
S82K-030 (30 W)
S82K-05024 (50 W)

Other manuals for Omron S82K

Related product manuals