EasyManua.ls Logo

Omron S8JX Series - Page 3

Omron S8JX Series
12 pages
Print Icon
To Next Page IconTo Next Page
To Next Page IconTo Next Page
To Previous Page IconTo Previous Page
To Previous Page IconTo Previous Page
Loading...
Switch Mode Power Supply S8JX 3
Connections
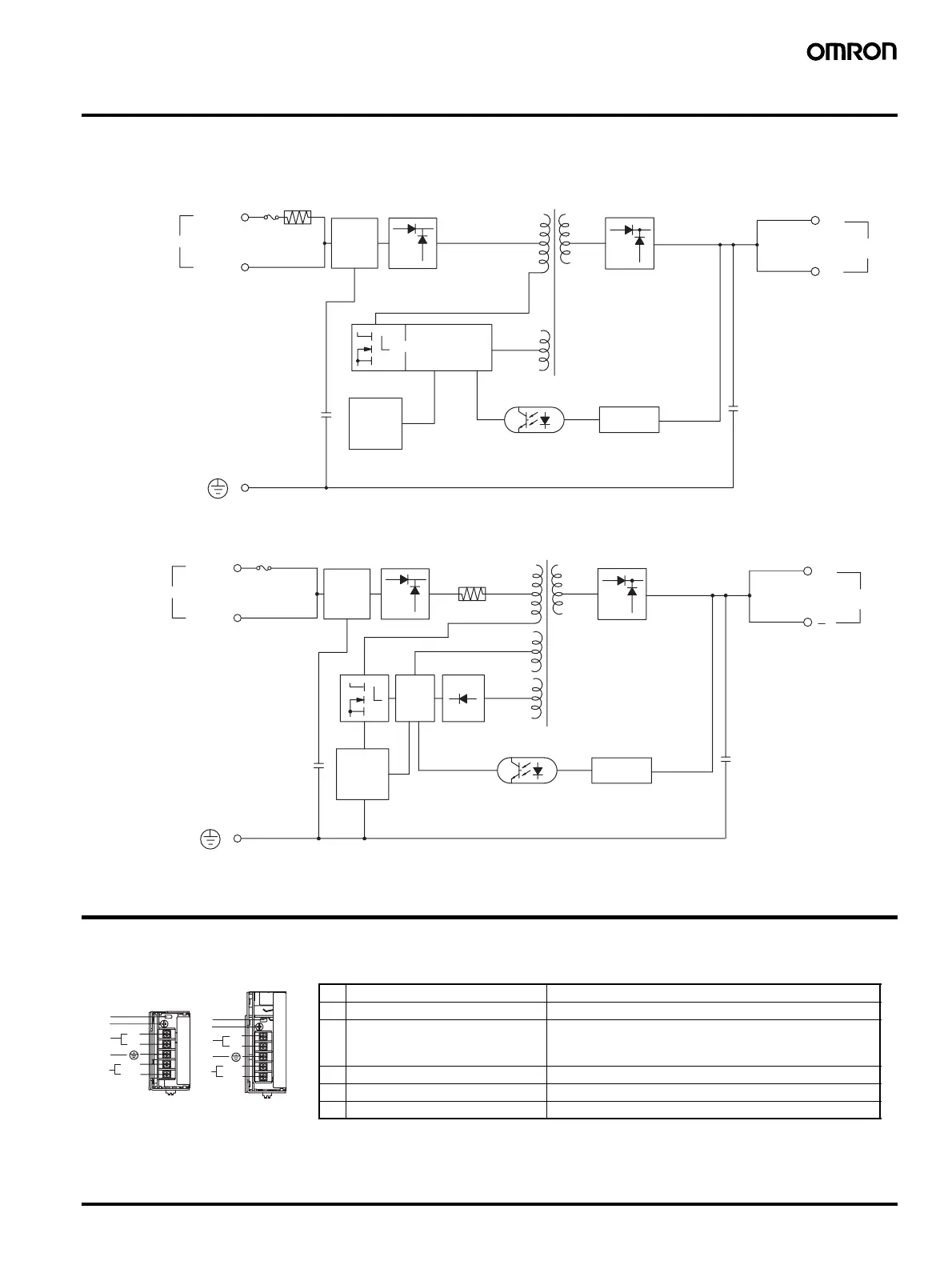
Block Diagrams
Construction and Nomenclature
Nomenclature
+V
V
Input
AC (L)
AC (N)
Fuse
3.15 A
Inrush
current
protection
Noise
filter
Rectifier
IPD IC
Control circuit
OCP
adjustment
circuit
Rectifier
Voltage
detection
DC Output
S8JX-035@@@@ (35 W)
S8JX-050@@@@ (50 W)
+V
V
In
p
u
t
AC
(
L
)
AC
(
N
)
F
use
5
A
Inrush
current
protection
Noise
filter
Rectifier
Control
circuit
OCP
adjustment
circuit
Rectifier
Voltage
detection
DC Out
p
u
t
Input
compensation
S8JX-100@@@@ (100 W)
S8JX-150@@@@ (150 W)
Note: 1. This is the protective earth terminal specified in the safety standards.
Always ground this terminal.
2. The fuse is located on the (L) side. It is NOT user-replaceable.
No. Name Function
1 Output indicator (DC ON: Green) Lights while a direct current (DC) output is ON.
2 Output voltage adjuster (V. ADJ) Use to adjust the voltage.
It is possible to increase or decrease the output voltage
by
10% to 15%
3 DC output terminals (
V). (+V) Connect the load lines to these terminals.
4 Protective Earth terminal (PE) Connect the ground line to these terminals. (See note 1.)
5 AC input terminals (L). (N) Connect the input lines to these terminals. (See note 2.)
35/50 W 100/150 W
+V
V
AC(L)
AC(N)
+V
V
AC(L)
AC(N)
1
2
3
4
5
1
2
3
4
5