EasyManua.ls Logo

Omron SYSMAC C28K - C Programming Console Operations

Omron SYSMAC C28K
92 pages
Print Icon
To Next Page IconTo Next Page
To Next Page IconTo Next Page
To Previous Page IconTo Previous Page
To Previous Page IconTo Previous Page
Loading...
69
Appendix C
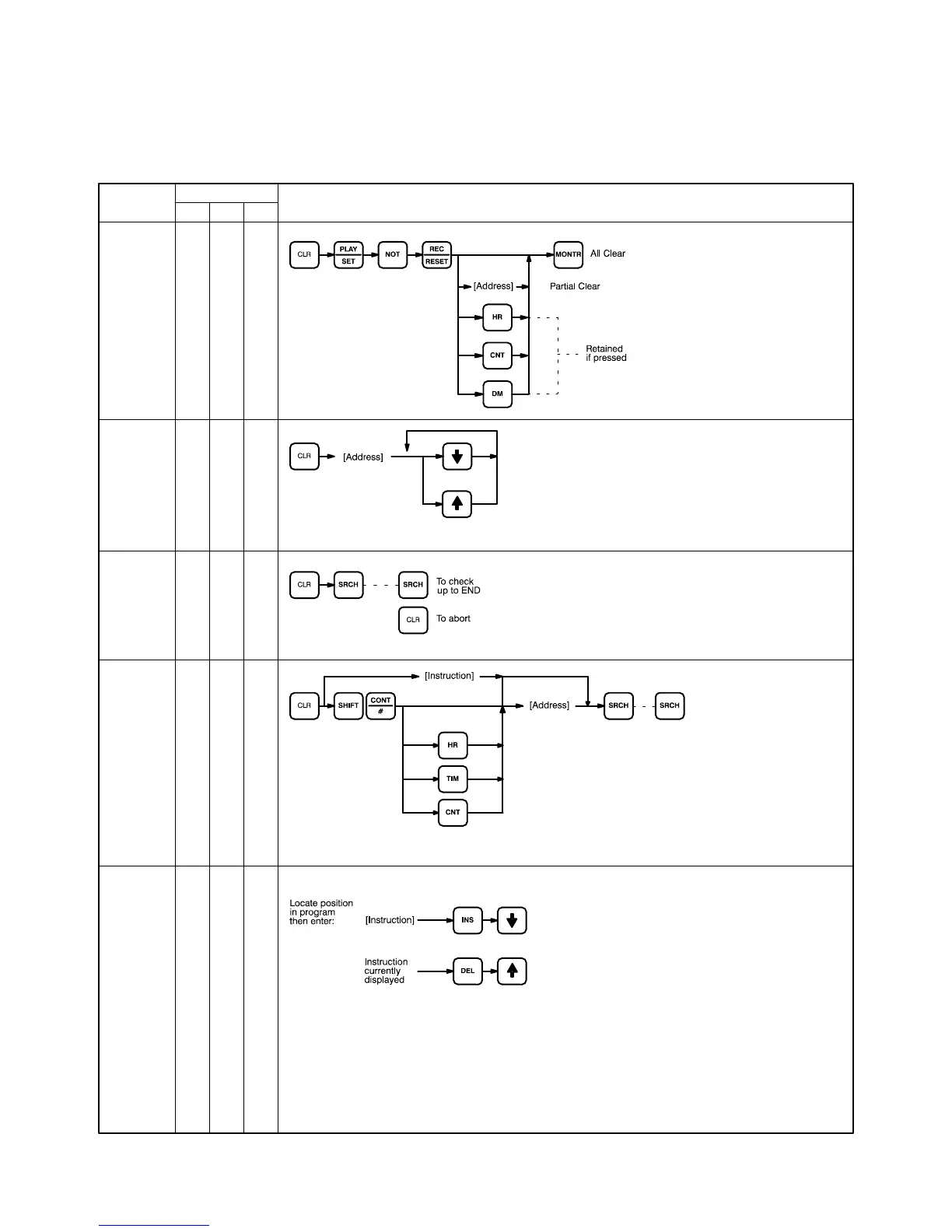
Programming Console Operations
Mode
Operation
Key Sequence
RUN MON. PROG.
Clearing
Memory
No No Yes
Setting
and
Reading
from
Program
Memory
Address
Yes Yes Yes
Checking
the
Program
No No Yes
Yes Yes Yes
Program
Searches
Inserting
and Delet-
ing Instruc-
tions
No No Yes

Other manuals for Omron SYSMAC C28K

Related product manuals