EasyManua.ls Logo

ON Semiconductor MC14541B - Truth Table

Default Icon
10 pages
Print Icon
To Next Page IconTo Next Page
To Next Page IconTo Next Page
To Previous Page IconTo Previous Page
To Previous Page IconTo Previous Page
Loading...
MC14541B
www.onsemi.com
5
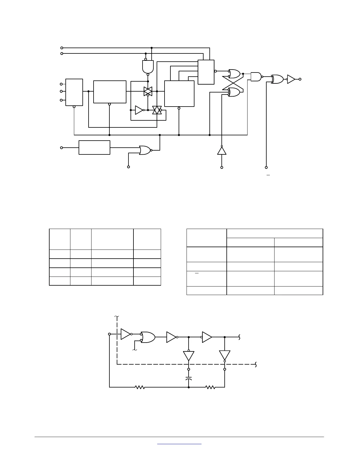
EXPANDED BLOCK DIAGRAM
A12
B13
R
tc
1
C
tc
2
R
S
3
5
AUTO RESET
OSC
RESET
C
2
8
8-STAGE
COUNTER
RESET
POWER-ON
RESET
6
MASTER RESET
2
10
2
13
2
16
C
8-STAGE
COUNTER
RESET
1 OF 4
MUX
10
MODE
9
Q/Q
SELECT
8Q
V
DD
= PIN 14
V
SS
= PIN 7
FREQUENCY SELECTION TABLE
A B
Number of
Counter Stages
n
Count
2
n
0 0 13 8192
0 1 10 1024
1 0 8 256
1 1 16 65536
TRUTH TABLE
Pin
State
0 1
Auto Reset, 5 Auto Reset
Operating
Auto Reset Disabled
Master Reset, 6 Timer Operational Master Reset On
Q/Q,9Output Initially Low
After Reset
Output Initially High
After Reset
Mode, 10 Single Cycle Mode Recycle Mode
Figure 3. Oscillator Circuit Using RC Configuration
3
R
S
R
TC
C
tc
21
TO CLOCK
CIRCUIT
INTERNAL
RESET