EasyManua.ls Logo

Onkyo BD-SP809

Onkyo BD-SP809
69 pages
To Next Page IconTo Next Page
To Next Page IconTo Next Page
To Previous Page IconTo Previous Page
To Previous Page IconTo Previous Page
Loading...
1-12-7
1 REMOTE
CN5501
5
C5502
0.1
2 EV+3.3V
3 RS232C-TXD
4 RS232C-RXD
C5504
0.1
13
1
15
14
16
3
6
5
11
4
7
12
10
89
2
IC5500
SP3232ECN-L/TR
C5500
0.1
C5503
0.1
3 RXD
5 GND
2 TXD
CN5500
1
4NU
6NU
NU7
8NU
9NU
JK5550
R5555
0
R5554
240
L5500
BEAD
L5501
BEAD
R5502
0
R5558
0
4
32
1
IC5550
EL817C
Q5551
MMBTRC106SS
R5553
3.3K
R5552
10K
Q5552
MMBTRC106SS
R5551
10K
C5501
0.1
C5553
100/10V
C5505
47/16V
C5506
47/16V
RS232C CBA
C1+
R1OUT
GND
C2-
T1IN
NU T2IN
V-
GND
C2+
NU
V+
R1IN
VCC
T1OUTC1-
0
(RS232C INTERFACE)
-2.9
3.4
-2.9
-5.6
0
-5.6
3.4
0
3.4
3.4
TO VIDEO CBA
CN4002
5.7
NU
(RS232C-CONNECTOR)
REMOTE-OUT
REMOTE-IN
BCA
2
1
NU
0
0
0
PHOTO
COUPLER
1.5
0
0
3.4
(BUFFER)
0
(BUFFER)
0
1.5
0
E5WF0SCRS
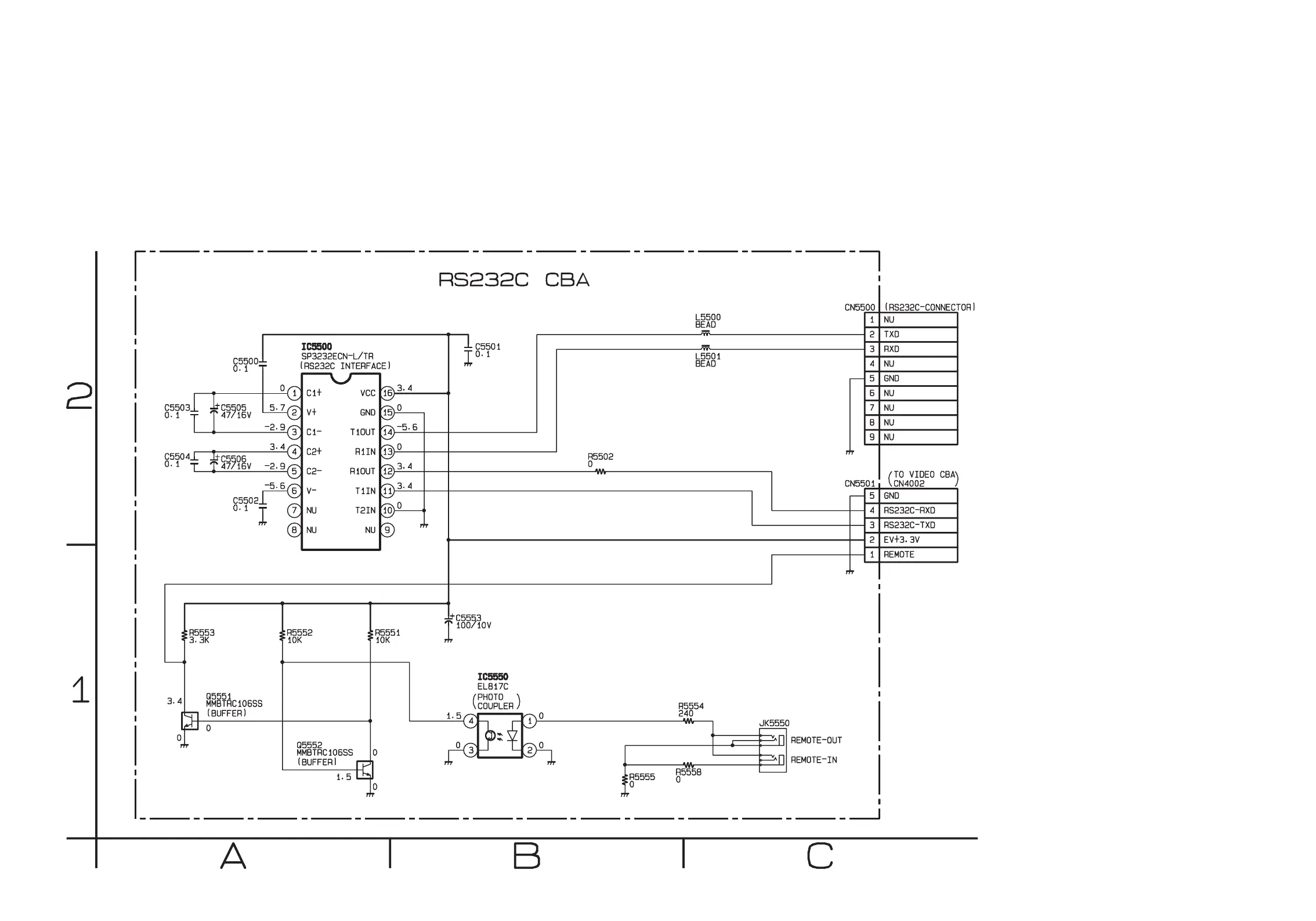
RS232C Schematic Diagram

Other manuals for Onkyo BD-SP809

Related product manuals