EasyManua.ls Logo

Onkyo BD-SP809

Onkyo BD-SP809
69 pages
To Next Page IconTo Next Page
To Next Page IconTo Next Page
To Previous Page IconTo Previous Page
To Previous Page IconTo Previous Page
Loading...
1-12-8
8 HV(-)
13 U
9 HV(+)
CN7002
15 W
11 HU(+)
10 HU(-)
7 HW(+)
14 V
5 VH(-)
6 HW(-)
HU(+)
VH(-)
HU(-)
HV(+)
HV(-)
HW(+)
HW(-)
U
V
W
R7023
180
C7001
0.1
C7002 1000P
C7003 1000P
C7004 1000P
FD1
EXPB(-)
FR1
FD2
TR
EXPB(+)
A+8V
EXPA(-)
FR2
EXPA(+)
TD
A+5V
B30
H29
H30
C29
G30
F27
E30
E27
C7097
0.082
F26
C30
C20
E29
D29
G26
VHALF
C7092 8200P
C7091 0.1
C7089 0.033
C7083 0.1
R7151 10K
C7085 0.1
C7086 1
C7090 0.1
C7048 1
C7047 1
THERMO
THERMOOP
GINB26
FINA27
BINB28
HINA26
DINB27
AINA29
EINC26
CINA28
VC-PDC27
LE-SENS(-) D26
MOUT2 D25
LE-SENS(+) H26
THERMOOP H27
C7030
0.1
L7003
BEAD
BDRFBF30
BDRFAG29
C7046 1
C7045 1
R7022 180
12 VH(+)
C7037 0.01
C7036 0.01
C7038 0.01
NU H28
AA29
R7148 10K
3 SOT0
2 SIN0
4GND
CN7007
6 SENSJ2
1 XFERST
5 SENSJ1
SENSJ2 F23
SENSJ1 E23
SOT0 E18
SIN0 C18
NU F18
IC6001(1/10)
*1
MN2WS0150A3
NU A17
NU A18
NU B17
NU AB28
NU G18
AB26NU
R7139 10K C7096 100P
C7098 100PR7138 10K
R7140 10K C7093 100P
R7141 10K C7084 100P
R7164 10K
R7163 10K
R7162 10K
R7161 10K
XFERST
P-ON+3.3V
C7049
0.1
NUB18
DSEND22
LDONE22
36EXPA(-)
44FR2
21DSEN
7GND
42TD
5F
15PO1
27LD-TYPE
19AVCC
18FPIO1
37EXPA(+)
26AVCC
6G
10RF(-)
3H
39EXPB(+)
14PO0
17C
1VC-PD
8RF(+)
20GND
38EXPB(-)
31A+8V
40FR1
12D
25GND
29TEST-V
43TR
16B
41FD1
13A
24LDON
4E
CN7003
45FD2
9GND
33THERMO
2GND
28GND
11GND
35GND
34GND
32GND
30GND
P-ON+5V(1)
LD-SENS(-)
LD-SENS(+)
C7009
0.1
C7011
0.1
C7006 2200P
C7005 2200P
A23
C23
B23
D23
D28
R7059 4.7K
R7058 10K
SLD2(+)
SLD1(+)
1 SLD2(+)
SLD2(-)
4 SLD1(-)
2 SLD2(-)
SLD1(-)
3 SLD1(+)
LDD-SCLKC22
22LDD-SCLK
23LDD-SDATA
LDD-SDATAB22
CONTINUE
BD MAIN 2
CONTINUE
BD MAIN 2
CONTINUE
BD MAIN 8
4
1
3
2
EABCD F
TO BD MAIN 9
IC6001(9/10)
MAIN MICRO CONTROLLER
/DIGITAL SIGNAL PROCESS
FE
DIGITAL
SIGNAL
PROCESS
STREAM
CONTROL
COPY
PROTECT
AACS
BD+
CSS
CPRM
RFB
MOUT2
NU
NU
RFA
VHALFOUT
VHALF
HDVREF
CONTINUE
BD MAIN 2
CONTINUE
BD MAIN 2
BD MAIN CBA UNIT
NU
(NO CONNECTION)
CONTINUE
BD MAIN 6
TO BD MAIN 2
IC6001(2/10)
TO BD MECHANISM
ASSEMBLY
TO BD MECHANISM
ASSEMBLY
FPIO1
PO1
LD-TYPE
TEST-V
PO0
NU
NU
NU
NU
NU
NU
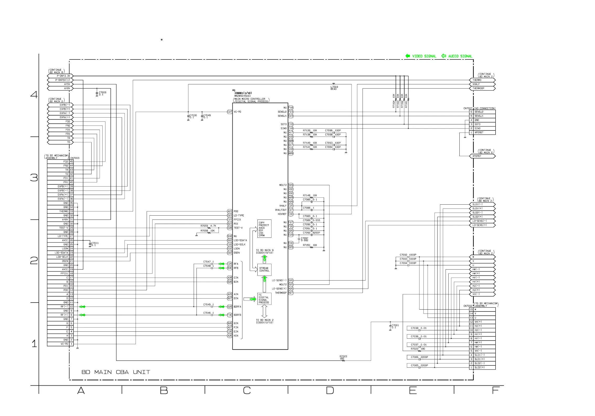
BD Main 1 Schematic Diagram
E5WF0SCBD1
The order of pins shown in this diagram is different from that of actual IC6001.
IC6001 is divided into ten and shown as IC6001 (1/10) ~ IC6001 (10/10) in this BD Main Schematic Diagram Section.
1 NOTE:

Other manuals for Onkyo BD-SP809

Related product manuals