EasyManua.ls Logo

Onkyo BD-SP809

Onkyo BD-SP809
69 pages
To Next Page IconTo Next Page
To Next Page IconTo Next Page
To Previous Page IconTo Previous Page
To Previous Page IconTo Previous Page
Loading...
1-12-9
C7053
0.1
R7056 1.5
R7055 1.5
R7054 1.5
C7042
0.1
P-ON+3.3V
P-ON+10.5V
A+5V
G19
C21
B21
G21
F21
F20
B20
B19
A21
E21
F22
C19
G20
E19
A20
D19
C24
C25
B24
A24
B25
D24
C7052
0.1
C7051 68P
R7118
10K
VHALF
R7077 4.7K
C7065
6800P
C7055
0.1
R7088
4.7K
R7094
47K
FD1
FD2
TD
TR
FR1
FR2
R7110
4.7K
C7068
1000P
R7111
47K
R7106
4.7K
C7069
1000P
R7112
47K
C7064
0.1
R7109
4.7K
C7070
1000P
R7113
47K
R7071
1.5
C7062
0.1
C7056
180P
C7054
0.1
R7066 4.7K
R7060 1.5
C7060
6800P
R7082
4.7K
R7101
47K
R7108
3.9K
A+8V-REG
C7067
0.1
C7059
0.1
C7043
0.1
C7010
1000P
C7014
1000P
C7022
1000P
R7067 4.7K
R7083
4.7K
C7058
6800P
R7092
22K
R7105
47K
R7079
12K
R7091
22K
R7078
12K
R7103
47K
C7044
0.1
1
2
3
4
5
6
7
9
14
8
15
16
17
19
20
18
21 22
23
24
36
35
34
28
27
26
25
37
38
39
40
41
42
SLED1
MOTOR
DRIVE
SLED2
MOTOR
DRIVE
FUNCTION
SELECT
COLLIMATE
LENS MOTOR
DRIVE
FOCUS1
ACTUATOR
DRIVE
11
10
13
12
33
32
31
30
29
LOADING
MOTOR
TRACKING
ACTUATOR
DRIVE
COLLIMATE
LENS MOTOR
DRIVE
FOCUS2
ACTUATOR
DRIVE
IC7002
AM9268FD
VCC
GND
OSC
RSL1
VMCOL
VCC
PSL2
GND
NU
NU
BIAS
VCC
REG-EN
GND
VCC
GND
EXPB(+)
EXPA(+)
EXPB(-)
EXPA(-)
C7072
2700P
R7107
4.7K
R7104
47K
W
V
U
HW(-)
HW(+)
HV(-)
HV(+)
HU(-)
HU(+)
THERMOOP
THERMO
R7080
10K
1
2
3
4
5
6
7
9
10
8
11
12
13
15
16
14
17
18
19
20
21
28
27
26
25
24
23
22
BIAS
BRAKE
SELECT
CTL
HALL
BIAS
120
MATRIX
FG
REVERSE
IC7001
AM9858
OSC
GND
GND
VCC
VREF
GND
GND
GND
VM1
VM2
C7041
10
VH(-)
C7050
0.01
R7084 3K
C7071
680P
E20
R0058 10K
IC6001(2/10)
*1
MN2WS0150A3
G22
LD-SENS(-)
LD-SENS(+)
SLD2(+)
SLD1(+)
SLD2(-)
SLD1(-)
3GND
CN7001
1LOAD(-)
2LOAD(+)
4TRAY-IN
R7167
4.7K
R7166
4.7K
R7168
1K
C7099
0.01
C7100
0.01
R7169
1K
C7039
220/16V
C7079
0.1
C7082
10
R7072
51K
C7333
100/6.3V
2
K
4
1
3
LGIJH
MAIN MICRO CONTROLLER
/DIGITAL SIGNAL PROCESS
(MOTOR DRIVE)
(MOTOR DRIVE)
TRAY-IN
EXPA-CONTROL
EXPB-CONTROL
SLED1-CONTROL
SLED2-CONTROL
FOCUS1-CONTROL
FOCUS2-CONTROL
TRACKING-CONTROL
LOAD-CONTROL
SPINDLE-CONTROL
CTL-MTR
SPINDLE-FG
PS
NU
NU
NU
NU
NU
NU
GND
GND
GND
CONTINUE
BD MAIN 1
CONTINUE
BD MAIN 8
BD MAIN CBA UNIT
CONTINUE
BD MAIN 1
CONTINUE
BD MAIN 1
CONTINUE
BD MAIN 1
BR-MTR
TO BD MAIN 1
IC6001(1/10)
TO BD MECHANISM
ASSEMBLY
NU
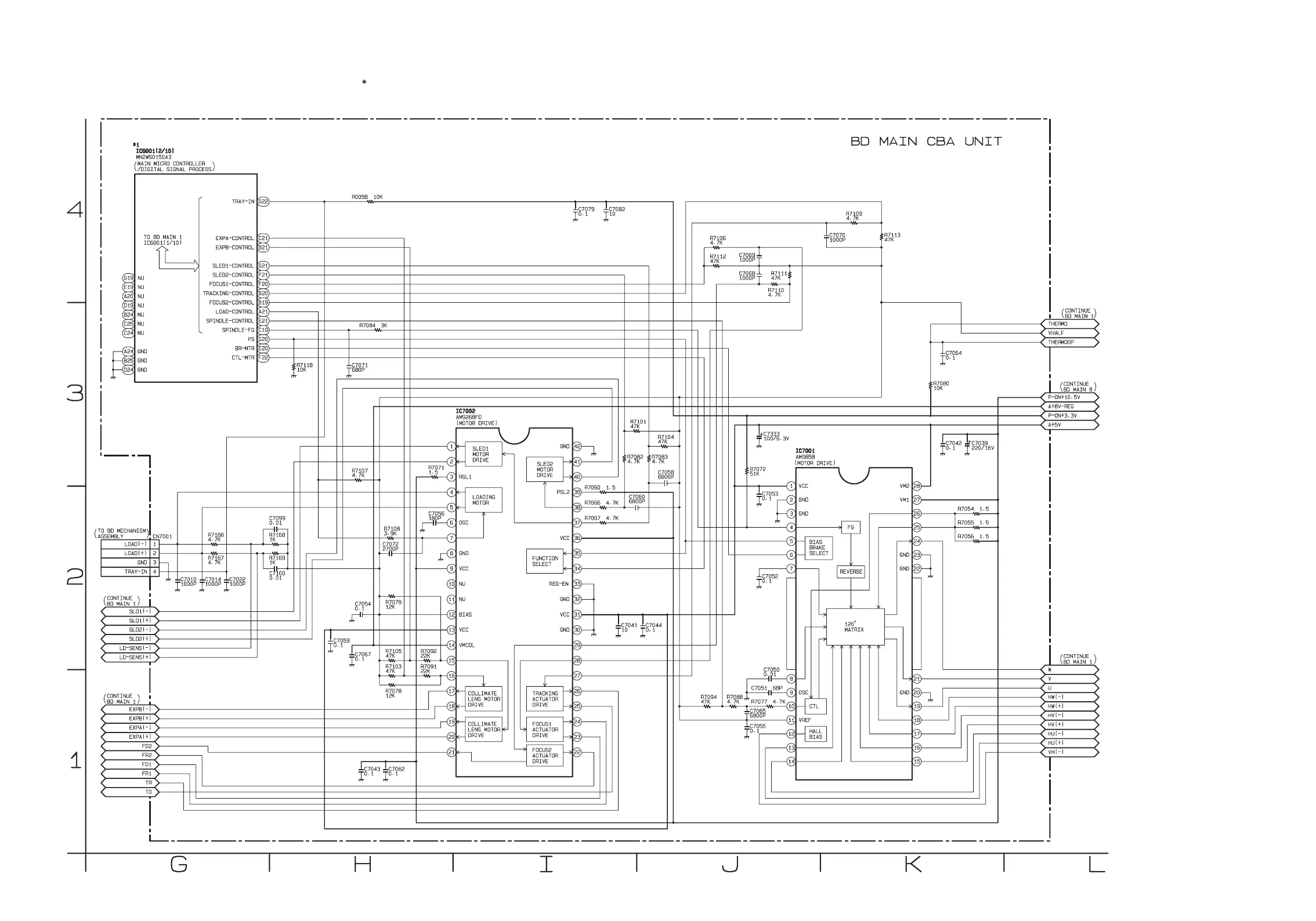
BD Main 2 Schematic Diagram
E5WF0SCBD2
The order of pins shown in this diagram is different from that of actual IC6001.
IC6001 is divided into ten and shown as IC6001 (1/10) ~ IC6001 (10/10) in this BD Main Schematic Diagram Section.
1 NOTE:

Other manuals for Onkyo BD-SP809

Related product manuals