EasyManua.ls Logo

Onkyo CR-245

Onkyo CR-245
67 pages
To Next Page IconTo Next Page
To Next Page IconTo Next Page
To Previous Page IconTo Previous Page
To Previous Page IconTo Previous Page
Loading...
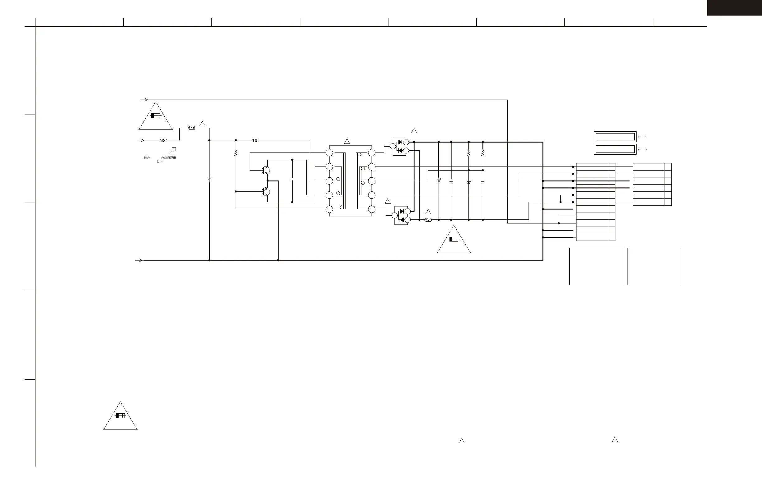
CR-245
SCHEMATIC DIAGRAMS - 11
VFD POWER (MAIN PCB)
A
1
2
3
4
5
B C D E F G H
VA
VA
VA
T1701
8103033P
1
2
3
4 7
8
9
10
5 6
Q1723
2SC5734_TL
1
B
2C
3E
Q1724
2SC5734_TL
1
B
2C
3E
R176
8
10K 1/16
W
160
8
CP1702
A2001WV-11A
11
GND
6
VFD-28V
7
GND
8
VBUS_POW
9
VBUS_POW
10
GND
5
VFD-28V
4
GND
1
3.9Vac
2
3.9Vac
3
GND
L1708
1mH_CDRH74NP
L1714
4.7uH_FLF3215T
F1701
1206FA1A-T
C180
7
3900P UJ
321
6
C1812
0.1 B
1608
25V
D172
2
UDZSNP5.1
B
F1702
1206FA1A-T
C1813
0.1 B
1608
50V
D1723
LMBD3004SLT1G
1
3
2
D1724
LMBD3004SLT1G
1
3
2
C1809
50V22 YXF_P
R178
5
56K 1/16
W
100
5
R1786
56K 1/16W
1005
SIGNAL_POW(9;10)
SW+16V(10)
VFD_GND(9;10)
CP1703
A2001WV-6A
5
VFD-28V
4
GND
1
3.9Vac
2
3.9Vac
3
GND
6
VFD-28V
C1808
50V22 YXF_P
From/to DISPLAY PCB
From/to FRONT JACK PCB
1 6pin
7 11pin
11pin --> 5pin/6pin
L=190mm / L=190mm
PATTERN
1.5mm
1A 63V (F1701/F1702)
1A 63V (F1701/F1702)
1 63
631
1 63
for USB MODEL
for DOCK Only MODEL
6pin L=190mm
ATTENTION
CAUTION
ATTENTION
CAUTION
( MAIN PCB )
!
!
N'UTILISER QUE DES FUSIBLE DE MEME TYPE
POUR UNE PROTECTION CONTINUE LES RISQUES D'INCEIE:
REPLACE ONLY WITH THE SAME TYPE FUSE
FOR CONTINUED PROTECTION AGAINST FIRE HAZARD,:
DANS LA NOMENCLATURE DES PIECES.
N'UTILISER QUE CELLS DECRITES
DANGERUSES AN POINT DE VUE SECURITE
!
LES PIECES REPAREES PAR UN ETANT:
DESCRIBED IN PARTS LIST ONLY.
CRITICAL FOR SAFETY,USE ONES
!
SINCE THESE PARTS MARKED BY ARE:
!
!
!
VFD POWER SCHEMATIC DIAGRAM

Other manuals for Onkyo CR-245

Related product manuals