EasyManua.ls Logo

Onkyo P-3000R - Remote Control Guide; Remote Buttons

Onkyo P-3000R
70 pages
To Next Page IconTo Next Page
To Next Page IconTo Next Page
To Previous Page IconTo Previous Page
To Previous Page IconTo Previous Page
Loading...
P-3000R
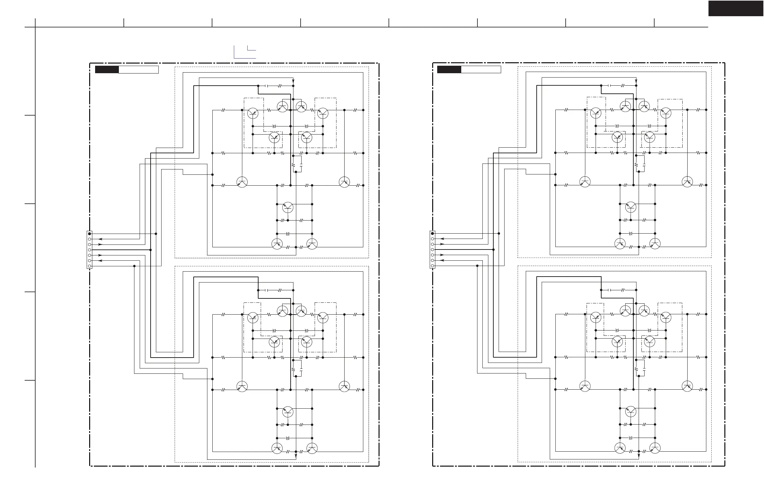
SCHEMATIC DIAGRAMS-9
I/V SECTION
U0025
BAAF-0594
U0024
BAAF-0593
2010.11.20
GND
+B
-B
-B
GND
+B
RCH_positive
PLUG 25056629 MB7P-90
RCH_negative
0.01276mA
-0.6497V
0.6497V
Pcmax=1.2w
Cob typ=1.8pF
0.01276mA
-0.6497V
0.6497V
Pcmax=1.2w
Cob typ=1.8pF
R4419
27K
R4402
27K
R4401
820
R4404
22
R4400
100
R4420
100
R4423
3.9K
R4424
3.9K
R4418
820
Q4410
2SC3423-Y
R4412
47
Q4407
2SA1312
2
1
3
Q4405
2SA1312
Q4413
2SC3324
1
3 2
Q4404
2SC3324
Q4402
2SC3324
3
1
2
Q4414
2SA1312
1
2
3
R4407
47
R4406
3.9K
R4414
3.9K
Q4406
2SC2880
Q4403
2SA1200
C4403
22/50
+
C4401
22/50
+
R4416
22
Q4411
2SA1360-Y
R4421
2.2K
R4422
1.5K
Q4409
2SC3324
C4405
22/50
+
R4409
5.6K
R4411
820
C4402
33p
R4410
680
R4432
10
C4404
470p
R4619
27K
R4602
27K
R4601
820
R4604
22
R4600
100
R4620
100
R4623
3.9K
R4624
3.9K
R4618
820
Q4610
2SC3423-Y
R4612
47
Q4607
2SA1312
2
1
3
Q4605
2SA1312
Q4613
2SC3324
1
3 2
Q4604
2SC3324
Q4602
2SC3324
3
1
2
Q4614
2SA1312
1
2 3
R4607
47
R4606
3.9K
R4614
3.9K
Q4606
2SC2880
Q4603
2SA1200
C4603
22/50
+
C4601
22/50
+
R4616
22
Q4611
2SA1360-Y
R4621
2.2K
R4622
1.5K
Q4609
2SC3324
C4605
22/50
+
R4609
5.6K
R4611
820
C4602
33p
R4610
680
R4632
10
C4604
470p
P4600A
7
6
5
4
3
2
1
GND
+B
-B
-B
GND
+B
LCH_positive
0.01276mA
-0.6497V
0.6497V
Pcmax=1.2w
Cob typ=1.8pF
0.01276mA
-0.6497V
0.6497V
Pcmax=1.2w
Cob typ=1.8pF
LCH_negative
R4319
27K
R4302
27K
R4301
820
R4304
22
R4300
100
R4320
100
R4323
3.9K
R4324
3.9K
R4318
820
Q4310
2SC3423-Y
R4312
47
Q4307
2SA1312
2
1
3
Q4305
2SA1312
Q4313
2SC3324
1
3 2
Q4304
2SC3324
Q4302
2SC3324
3
1
2
Q4314
2SA1312
1
2
3
R4307
47
R4306
3.9K
R4314
3.9K
Q4306
2SC2880
Q4303
2SA1200
C4303
22/50
+
C4301
22/50
+
R4316
22
Q4311
2SA1360-Y
R4321
2.2K
R4322
1.5K
Q4309
2SC3324
C4305
22/50
+
R4309
5.6K
R4311
820
C4302
33p
R4310
680
R4332
10
C4304
470p
R4519
27K
R4502
27K
R4501
820
R4504
22
R4500
100
R4520
100
R4523
3.9K
R4524
3.9K
R4518
820
Q4510
2SC3423-Y
R4512
47
Q4507
2SA1312
2
1
3
Q4505
2SA1312
Q4513
2SC3324
1
3 2
Q4504
2SC3324
Q4502
2SC3324
3
1
2
Q4514
2SA1312
1
2
3
R4507
47
R4506
3.9K
R4514
3.9K
Q4506
2SC2880
Q4503
2SA1200
C4503
22/50
+
C4501
22/50
+
R4516
22
Q4511
2SA1360-Y
R4521
2.2K
R4522
1.5K
Q4509
2SC3324
C4505
22/50
+
R4509
5.6K
R4511
820
C4502
33p
R4510
680
R4532
10
C4504
470p
P4500A
7
6
5
4
3
2
1
[e.g.]
To BAAF-0568
See SD-3 : B2
SCHEMATIC DIAGRAMS-3
Location (coordinates) X = 1 to 5, X = A to H
To BAAR-0574
See SD-8 : G3
To BAAR-0574
See SD-8 : G6
I/V Converter
Lch
I/V Converter
Rch
Temperature
Compensation
Temperature
Compensation
Temperature
Compensation
Temperature
Compensation
Temperature
Compensation
Temperature
Compensation
Temperature
Compensation
Temperature
Compensation
+B
-B
+B
-B
A
1
2
3
4
5
BCDEFGH

Other manuals for Onkyo P-3000R

Related product manuals