EasyManua.ls Logo

Onkyo TX-DS747

Onkyo TX-DS747
37 pages
To Next Page IconTo Next Page
To Next Page IconTo Next Page
To Previous Page IconTo Previous Page
To Previous Page IconTo Previous Page
Loading...
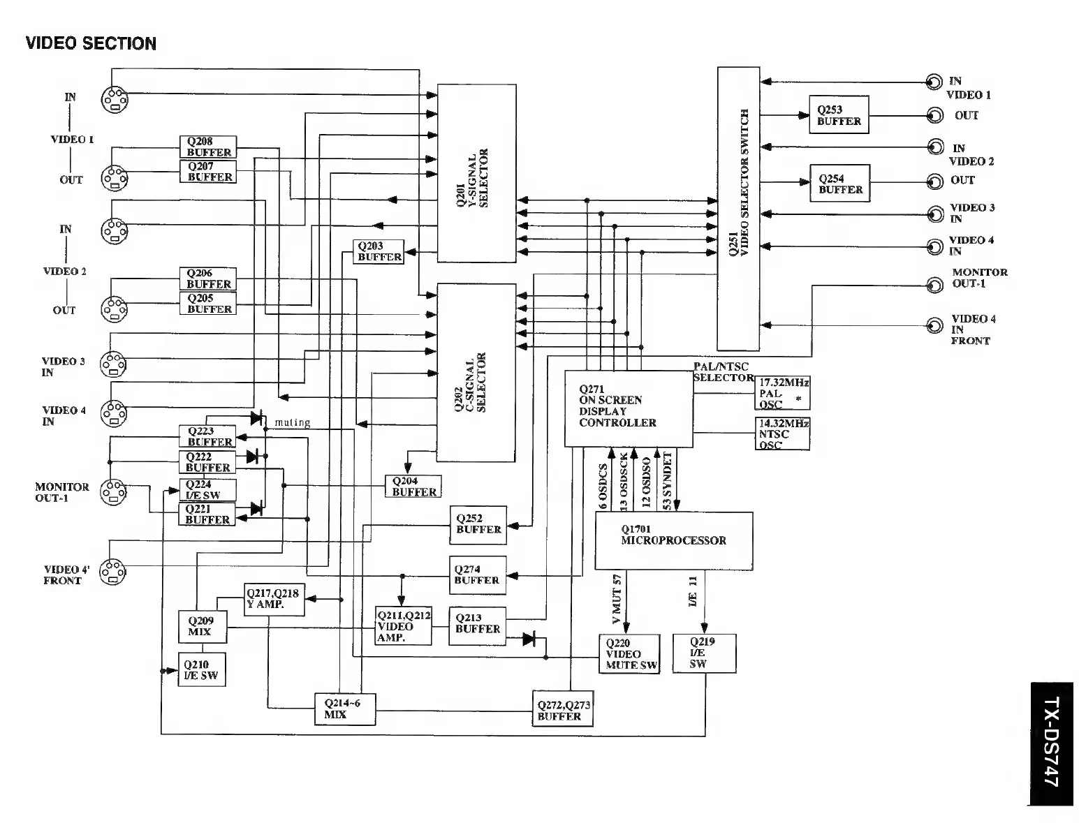
VIDEO
SECTION
a]
j}+—_———_—_—____©)
IN
*
a
-—
VIDEO
1
x
Q253
|
ih
3
>|
BUFFER
©)
ovr
VIDEO
1
Q08
>
E
BUFFER
as
5
+
©
n
5
Q207
-|
Zo
x
VIDEO
2
out
S&S
BUFFER
~
a
g
asa
©
ovr
—«
R23
g
BUFFER
Lv
coe
ole
t
z
VIDEO
3
HL
ct
a
lt
———_—©
IN
&
+
<1
3
Zz
aa
VIDEO
4
|
BUEFER
+L
I+
33
+—___———_©
ww
eae
Sure
MONITOR
BUFFER
©
our.
em
‘|
ries
OUT
(o
BUFFER
|—
||
ol
La]
zi
+
VIDEO
4
IN
|
4
4
pss
s
e+
+
FRONT
VIDEO
3
:
a
IN
——__»
#2
ALINTSC
&z
qn
ELECTOR
77
32MiHiz|
=
$3
a)
Eiaay
ON
SCREEN
PAL
NIDEQ.4
SOR
DISPLAY
Lusc___
m
muting
+——_
CONTROLLER
1432MHz
NTSC
f=)
i
Lose
g\
2
Z
3
MONITOR
(6%
pe)
9224
aa
2h
a
3
Z
Zz
OUT-1
Ss
i
au
2/3)
3/2
BUFFER
|“*——+]—_}
Q252
BUFFER
Qi701
a
MICROPROCESSOR
VIDEO
4'
Q274
FRONT
Ca)
BUFFER
[*
7
5
=
(Q217,0218
ale
a
Pa
Y
AMP.
T
2
a
}Q211,Q212}
Q213
=
sax
VIDEO
BUFFER
v
Aue.
mal
Q220
Q29
te
+
VIDEO
VE
pe]
220
MUTE
SW
|_SW
0214-6
Q272,Q273
Mpe
BUFEER

Other manuals for Onkyo TX-DS747

Related product manuals