EasyManua.ls Logo

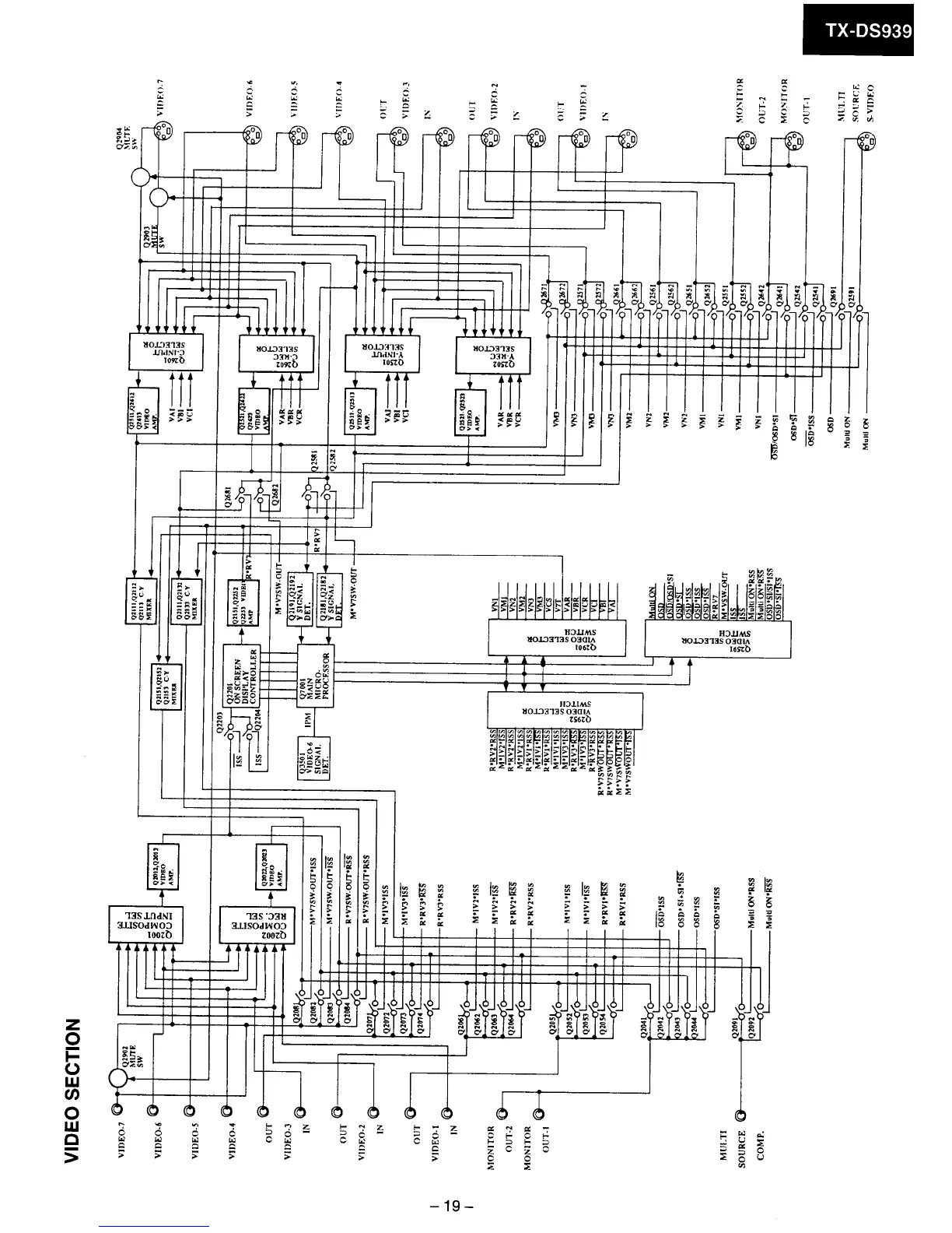
Onkyo TX-DS939 - Video Section Block Diagram

Onkyo TX-DS939
39 pages
Print Icon
To Next Page IconTo Next Page
To Next Page IconTo Next Page
To Previous Page IconTo Previous Page
To Previous Page IconTo Previous Page
Loading...

Other manuals for Onkyo TX-DS939

Related product manuals