EasyManua.ls Logo

Onkyo TX-NR900

Onkyo TX-NR900
82 pages
To Next Page IconTo Next Page
To Next Page IconTo Next Page
To Previous Page IconTo Previous Page
To Previous Page IconTo Previous Page
Loading...
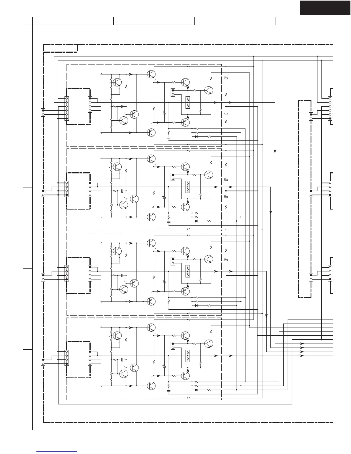
SCHEMATIC DIAGRAM 6-1
Power amplifier Section
TX-NR900/E
D6004
D6003
D6005
D6006
R6104
0.22
X2
(5W)
R6103
0.22
X2
(5W)
R6105
0.22
X2
(5W)
R6106
0.22
X2
(5W)
R6044
1K
R6043
1K
R6045
1K
R6046
1K
C6512
4.7/100
C6522
4.7/100
C6513
4.7/100
C6523
4.7/100
C6514
4.7/100
C6024
47/50
C6023
47/50
C6025
47/50
C6026
47/50
R6512
0.22
(1/2W)
R6514
0.22
(1/2W)
R6523
0.22
(1/2W)
R6513
0.22
(1/2W)
R6522
0.22
(1/2W)
R6214
47K
R6204
47K
R6194
47K
R6084
2.2
(1/4W)
R6094
2.2
(1/4W)
R6054
2.7K
R6114
10K
R6024
3.9K
R6014
5.6K
R6034
1K
R6064
3.3K
R6134
8.2
(1W)
R6164
33K
R6154
4.7K
R6144
22K
R6074
180
(1/4W)
R6213
47K
R6203
47K
R6193
47K
R6083
2.2
(1/4W)
R6093
2.2
(1/4W)
R6053
2.7K
R6113
10K
R6023
3.9K
R6013
5.6K
R6033
1K
R6063
3.3K
R6133
8.2
(1W)
R6163
33K
R6153
4.7K
R6143
22K
R6073
180
(1/4W)
R6215
47K
R6205
47K
R6195
47K
R6085
2.2
(1/4W)
R6095
2.2
(1/4W)
R6055
2.7K
R6115
10K
R6025
3.9K
R6015
5.6K
R6035
1K
R6065
3.3K
R6135
8.2
(1W)
R6165
33K
R6155
4.7K
R6145
22K
R6075
180
(1/4W)
R6216
47K
R6206
47K
R6196
47K
R6086
2.2
(1/4W)
R6096
2.2
(1/4W)
R6056
2.7K
R6116
10K
R6026
3.9K
R6016
5.6K
R6036
1K
R6066
3.3K
R6136
8.2
(1W)
R6166
33K
R6156
4.7K
R6146
22K
R6076
180
(1/4W)
Q6014
Q6004
Q6074
Q6054
Q6034
Q6013
Q6003
Q6073
Q6053
Q6033
Q6015
Q6005
Q6075
Q6055
Q6035
Q6016
Q6006
Q6076
Q6056
Q6036
-58.3V
1.2V
0.6V
58.3V
0.6V
0.6V
0.1V
0.5V
-1.2V
-58.3V
1.2V
0.6V
58.3V
0.6V
0.6V
0.1V
0.5V
-1.2V
-58.3V
1.2V
0.6V
58.3V
0.6V
0.6V
0.1V
0.5V
-1.2V
-58.3V
1.2V
0.6V
58.3V
0.6V
0.6V
0.1V
0.5V
-1.2V
P6004
NF
TO NAAF-7706
(SCH. 5)
NF
B+
B-
P6003
NF
TO NAAF-7706
(SCH. 5)
NF
B+
B-
P6005
NF
TO NAAF-7706
(SCH. 5)
NF
B+
B-
P6006
NF
TO NAAF-7706
(SCH. 5)
NF
B+
B-
P6014
TO NAAF-7707
(SCH. 5)
P6015
TO NAAF-7707
(SCH. 5)
P6016
TO NAAF-7707
(SCH. 5)
P6012 P6011
P6013
TO NAAF-7707
(SCH. 5)
P6010
Q6024
Q6064
Q6044
Q6023
Q6063
Q6043
Q6025
Q6065
Q6045
Q6026
Q6066
Q6046
P6084
ID+
ID-
P6083
ID+
ID-
P6085
ID+
ID-
P6086
ID+
ID-
P5004A
TO NAAF-7718
(SCH. 4)
P5004C
TO NAAF-7718
(SCH. 4)
P5004D
TO NAAF-7718
(SCH. 4)
P5004B
TO NAAF-7718
(SCH. 4)
P5003B
TO NAAF-7718
(SCH. 4)
P5003C
TO NAAF-7718
(SCH. 4)
P5003A
TO NAAF-7718
(SCH. 4)
C6034
473J/100
C6004
102J
C6044
C6033
473J/100
C6003
102J
C6043
C6035
473J/100
C6005
102J
C6036
473J/100
C6006
102J
C6046
-B1 -B1
+B1
+B1
E
E
E
E
E
E
E
E
E E
E
E
E
E
E
E
E
E
E
E
E
SL
SR
SBR
SBL
NAAF-7706
A
1
2
3
4
5
BCD

Related product manuals