EasyManua.ls Logo

Onkyo TX-NR900

Onkyo TX-NR900
82 pages
To Next Page IconTo Next Page
To Next Page IconTo Next Page
To Previous Page IconTo Previous Page
To Previous Page IconTo Previous Page
Loading...
TX-NR900/E
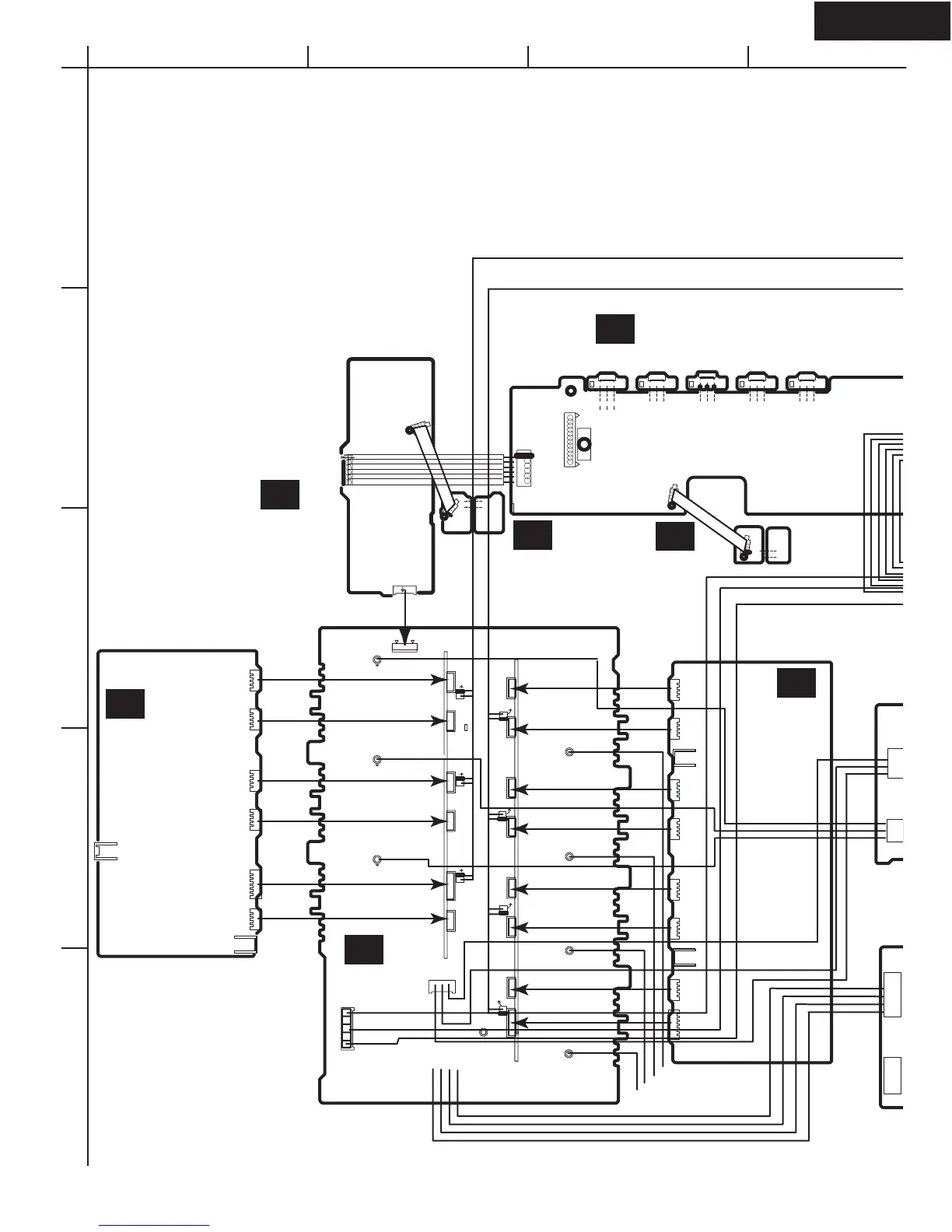
WIRING VIEW 2-1
JL6933A
P6931A
JL9503A
P6006A
P6005A
P6004A
P6003A
P6013A
P6014A
P6015A
P6016A
P6010A
P6011A
P6012A
P6000A
P6001A
P6002A
JL6933B
FRONT/CENTER
CHANNELS DRIVER
AMPLIFIER
PC BOARD
(NAAF-7690)
P19 (SCH. 22)
SURROUND
CHANNELS
DRIVER
AMPLIFIER
PC BOARD
(NAAF-7707)
P19
(SCH. P21)
FAN DRIVE
CIRCUIT PC BOARD
(NAETC-7696)
P27 (SCH. P29)
POWER SUPPLY
PC BOARD
(NAPS-7708)
P28 (SCH. P29)
JL9504A
P9502A
11
P9508
JL9503B
JL9504B
Thermal detector
circuit PC board
(NAETC-7714)
P32 (SCH. P30)
U22
U6
POWER AMPLIFIER
PC BOARD
(NAAF-7706)
P23 (SCH. P25)
P6010
P6011
P6012
P6015
P6014
P6013
P6952
P5004A
P5004B
P5004C
P5004D
P5003CP5003B
P5003A
P6000
P6810A
P6001
P6810B
P6002
P6810C
P6003
P6812A
P6004
P6016
P6006
P6005
P6007
P6212
P6931
P6008
P6101
U21
U12
U13
U23
Thermal detector
circuit PC board
(NAETC-7697)
P28 (SCH. P29)
U29
P6812B
P6812C P6812D
A
1
2
3
4
5
BCD

Related product manuals