EasyManua.ls Logo

Onkyo TX-SR504E - IC BLOCK DIAGRAMS AND TERMINAL DESCRIPTIONS-10; Q282: ES29 LV400 (4 Mbit Flash Memory)

Onkyo TX-SR504E
131 pages
Print Icon
To Next Page IconTo Next Page
To Next Page IconTo Next Page
To Previous Page IconTo Previous Page
To Previous Page IconTo Previous Page
Loading...
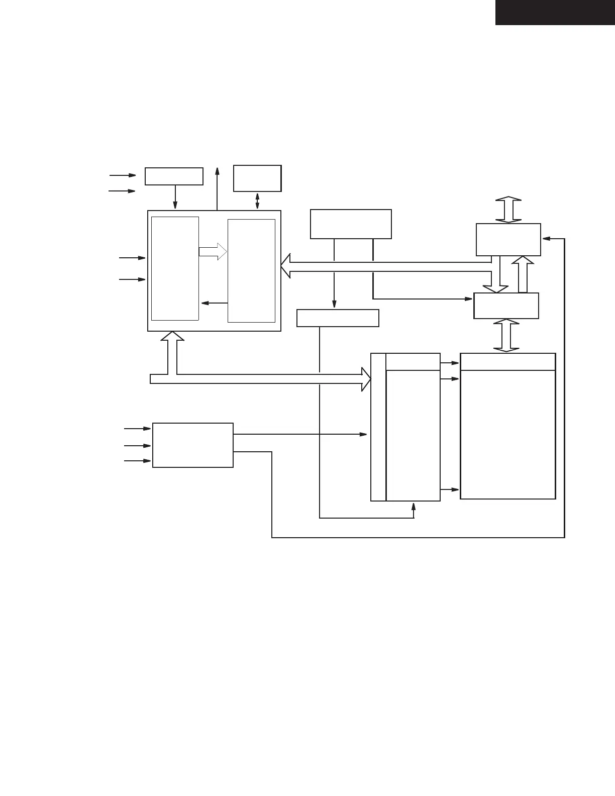
IC BLOCK DIAGRAMS AND TERMINAL DESCRIPTIONS-10
Q282 : ES29LV400 (4 Mbit Flash Memory)
BLOCK DIAGRAM
TX-SR504/504E/8450
OE#
Vcc
Vss
X-Decoder
DQ0-DQ15(A-1)
Input/Output
Buffers
Data Latch/
Sense Amps
Y-Decoder
Cell Array
WE#
RY/BY#
Vcc Detector
Timer/
Counter
RESET#
A<0:17>
Sector Switches
Command
Register
Write
State
Machine
CE#
BYTE#
Chip Enable
Output Enable
Logic
Y-Decoder
Address Latch
Analog Bias
Generator

Other manuals for Onkyo TX-SR504E

Related product manuals