EasyManua.ls Logo

Onkyo TX-SR504E - IC BLOCK DIAGRAMS AND TERMINAL DESCRIPTIONS-16; Q3001: AN15880 A (Video SW for Receiver with Multi-signal)-1;4

Onkyo TX-SR504E
131 pages
Print Icon
To Next Page IconTo Next Page
To Next Page IconTo Next Page
To Previous Page IconTo Previous Page
To Previous Page IconTo Previous Page
Loading...
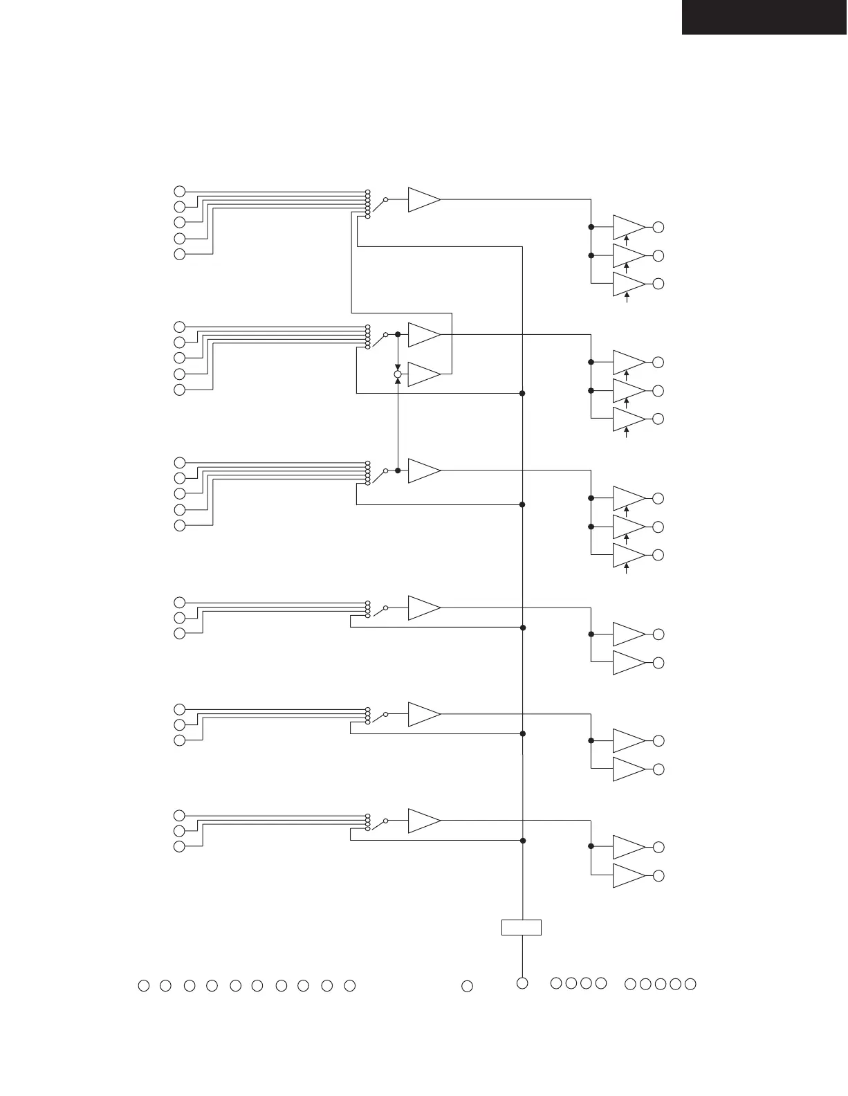
IC BLOCK DIAGRAMS AND TERMINAL DESCRIPTIONS-16
Q3001 : AN15880A (Video SW for Receiver with Multi-signal)-1/4
BLOCK DIAGRAM
TX-SR504/504E/8450
75<E
6dB
6dB
S1 S2 S3 S4 S5 S6 S7 S8 S9
+
75<E
75<E
75<E
75<E
75<E
75<E
75<E
75<E
75<E
75<E
75<E
75<E
75<E
75<E
V1
V2
V3
V4
V5
Y1
Y2
Y3
Y4
Y5
C1
C2
C3
C4
C5
CY1
CY2
CY3
PB1
PB2
PB3
PR1
PR2
PR3
VOUT1
VOUT3
VOUT2
YPUT2
YOUT3
YOUT1
COUT2
COUT3
COUT1
CYOUT1
CYOUT2
PBOUT1
PBOUT2
PROUT1
PROUT2
GND
VCC
S10
4/6dB
6dB
4/6dB
4/6dB
6dB
BIAS
MUTE

Other manuals for Onkyo TX-SR504E

Related product manuals