EasyManua.ls Logo

Onkyo TX-SR504E - IC BLOCK DIAGRAMS AND TERMINAL DESCRIPTIONS-24; Q2001: F2602 E(XM Digital Transceiver)-1;3

Onkyo TX-SR504E
131 pages
Print Icon
To Next Page IconTo Next Page
To Next Page IconTo Next Page
To Previous Page IconTo Previous Page
To Previous Page IconTo Previous Page
Loading...
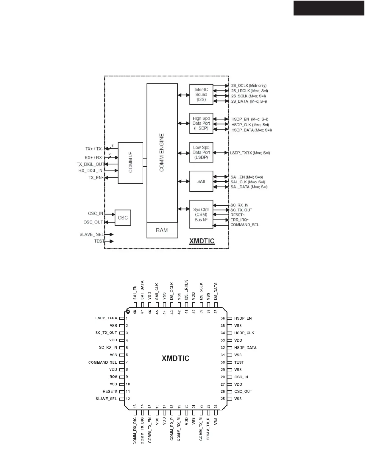
IC BLOCK DIAGRAMS AND TERMINAL DESCRIPTIONS-24
Q2001 : F2602E(XM Digital Transceiver)-1/3
BLOCK DIAGRAM
PIN CONFIGURATION
TX-SR504/504E/8450

Other manuals for Onkyo TX-SR504E

Related product manuals