EasyManua.ls Logo

Onkyo TX-SR875 - Adjustment Procedure-3 Idling Current Adjustment

Onkyo TX-SR875
269 pages
Print Icon
To Next Page IconTo Next Page
To Next Page IconTo Next Page
To Previous Page IconTo Previous Page
To Previous Page IconTo Previous Page
Loading...
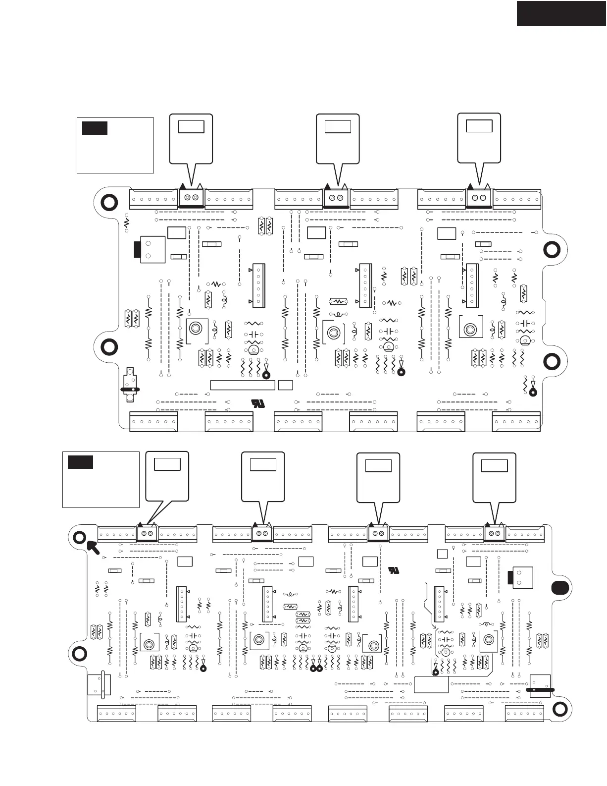
ADJUSTMENT PROCEDURE-2
IDLING CURRENT ADJUSTMENT
<Fig-1>
TX-SR875
C6040
C6043
C6045
D6000
D6003
D6005
L6000
L6003
L6005
L6010
L6013
L6015
P6030A
P6033A
P6035A
P6070 P6073P6075
P6240A
P6240B
P6240C
P6050 P6053P6055
P6060
P6063
P6065
Q6070
Q6073
Q6075
P6080 P6083
P6085
P6090 P6093P6095
R6080
R6083
R6085
R6090
R6093
R6095
P6340A
R6150
P6340B
P6340C
R6153
R6155
R6160
R6163
R6165
R6170
R6173
R6175
R6180
R6183
R6185
R6190
R6193
R6195
R6210
R6213
R6215
R6230
R6233
R6235
R6330
R6333
R6335
R6340
R6343
R6345
R6350
R6353
R6355
R6360
R6363
R6365
R6400
R6403
R6405
R6410
R6413
R6415
R6650
R6653
R6655
R6660
R6663
R6665
J6074
25
J6073
10
J6075
25
J6062
30
J6054
15
J6077
22
J6070 30
J6046
27
J6079
10
J6076
22
J6063
30
J6078 30
J6068
22
J6071
10
J6069
22
J6044
25
J6045
25
J6047
20
J6048
12
P6042A
J6060
30
J6059
27
J6058
27
J6065
12
J6056
17
J607230
J6050
12
J6051
12
J6053
22
J6055
20
J6049
17
J6052
22
J6064
17
J6057
20
J6067
7
J6066
12
J6061
15
NCAMP-9061
25139061B
2
2SA
2SA
2SC
2SC
2SC
2SC
2SC
WHT BRN
BLU
L
SBL
SL
C6041
C6042 C6044
C6046
D6001
D6002
D6004
D6006
L6001
L6002
L6004
L6006
L6011
L6012
L6014
L6016
P6031A
P6032A
P6034A
P6036A
JL6041B
JL6042B
P6071
P6072
P6074
P6076
P6250A
P6250B
P6250C
P6250D
P6051
P6052
J6026
30
P6054
P6056
P6061
P6062 P6064
P6066
Q6071
Q6072
Q6074
Q6076
P6081
P6082
P6084
P6086
P6091P6092 P6094
P6096
R6081
R6082
R6084
R6086
R6091
R6092
R6094
R6096
J6028
22
R6151
R6152
R6154
P6350A
P6350B
R6156
P6350C
R6161
R6162
R6164
R6166
R6171
R6172
R6174
R6176
R6181
R6182
R6184
R6186
R6191
R6192
R6194
R6196
R6211
R6212
R6214
R6216
R6231
R6232
R6234
R6236
R6331
R6332
R6334
R6336
R6341
R6342
R6344
R6346
R6351
R6352
R6354
R6356
R6361
R6362
R6364
R6366
R6401
R6402
R6404
R6406
R6411
R6412
R6414
R6416
R6651
R6652
R6654
R6656
R6661
R6662
R6664
R6666
J6003
22
J6019
30
J6005
10
J6017
30
J6004
22
J6000
22
J6016
30
J6018
30
J6002
22
J6001
12
J6041
17
J6014
10
J6008
22
J6040
20
J6031
22
J6030
22
J6007
22
J6010
20
J6036
20
J6034
15
J6033
15
J6006
15
J6039
22
J6035
27
J6009
10
J6023
30
J6020
17
J6022
30
J6038
12
J6032
10
J6037
12
J6025
30
J6042
25
J6015
20
J6043
25
J6012
22
J6013
22
J6011
15
J6024
22
J6029
17
J6021
12
J6027
7
2SA
2SA
2SA
2SC
2SC
2SC2SC
2SC
2SC
2SC
NCAMP-9062
25139062
2
GRN
GRY
YEW
RED
C
SR
SBR
R
P6070
Test point
L
P6075
Test point
SBL
P6073
Test point
SL
P6072
Test point
C
P6074
Test point
SR
P6076
Test point
SBR
P6071
Test point
R
U16
POWER AMP
PC BOARD
(NAAMP-9061)
U17
POWER AMP
PC BOARD
(NAAMP-9062)

Other manuals for Onkyo TX-SR875

Related product manuals