EasyManua.ls Logo

OnRobot RG2-FT - 8. Hardware Specification; 8.1. Technical Sheets

OnRobot RG2-FT
198 pages
Print Icon
To Next Page IconTo Next Page
To Next Page IconTo Next Page
To Previous Page IconTo Previous Page
To Previous Page IconTo Previous Page
Loading...
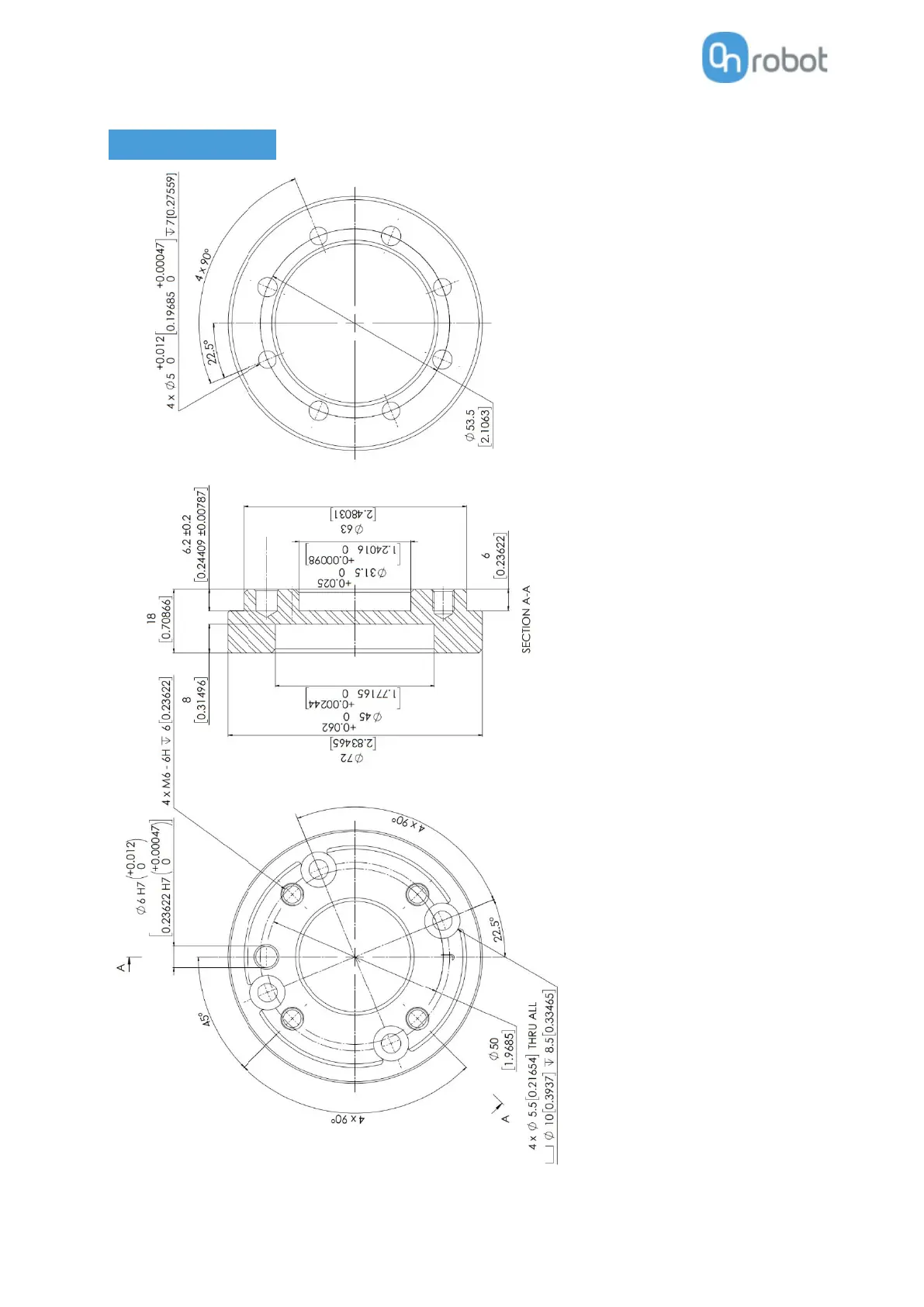
Hardware Specification
164
Adapter J

Other manuals for OnRobot RG2-FT

Related product manuals