EasyManua.ls Logo

OnRobot RG2-FT - Page 168

OnRobot RG2-FT
198 pages
Print Icon
To Next Page IconTo Next Page
To Next Page IconTo Next Page
To Previous Page IconTo Previous Page
To Previous Page IconTo Previous Page
Loading...
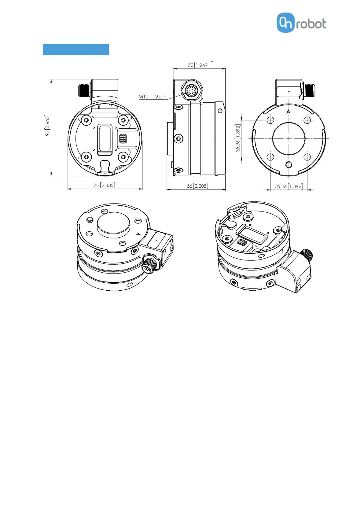
Hardware Specification
168
HEX-E/H QC
* Distance from Robot flange interface to OnRobot tool
All dimensions are in mm and [inches].

Other manuals for OnRobot RG2-FT

Related product manuals