EasyManua.ls Logo

Optex AX-250PLUS - 7-4.Re-Transmitting Circuit

Optex AX-250PLUS
12 pages
Print Icon
To Next Page IconTo Next Page
To Next Page IconTo Next Page
To Previous Page IconTo Previous Page
To Previous Page IconTo Previous Page
Loading...
9
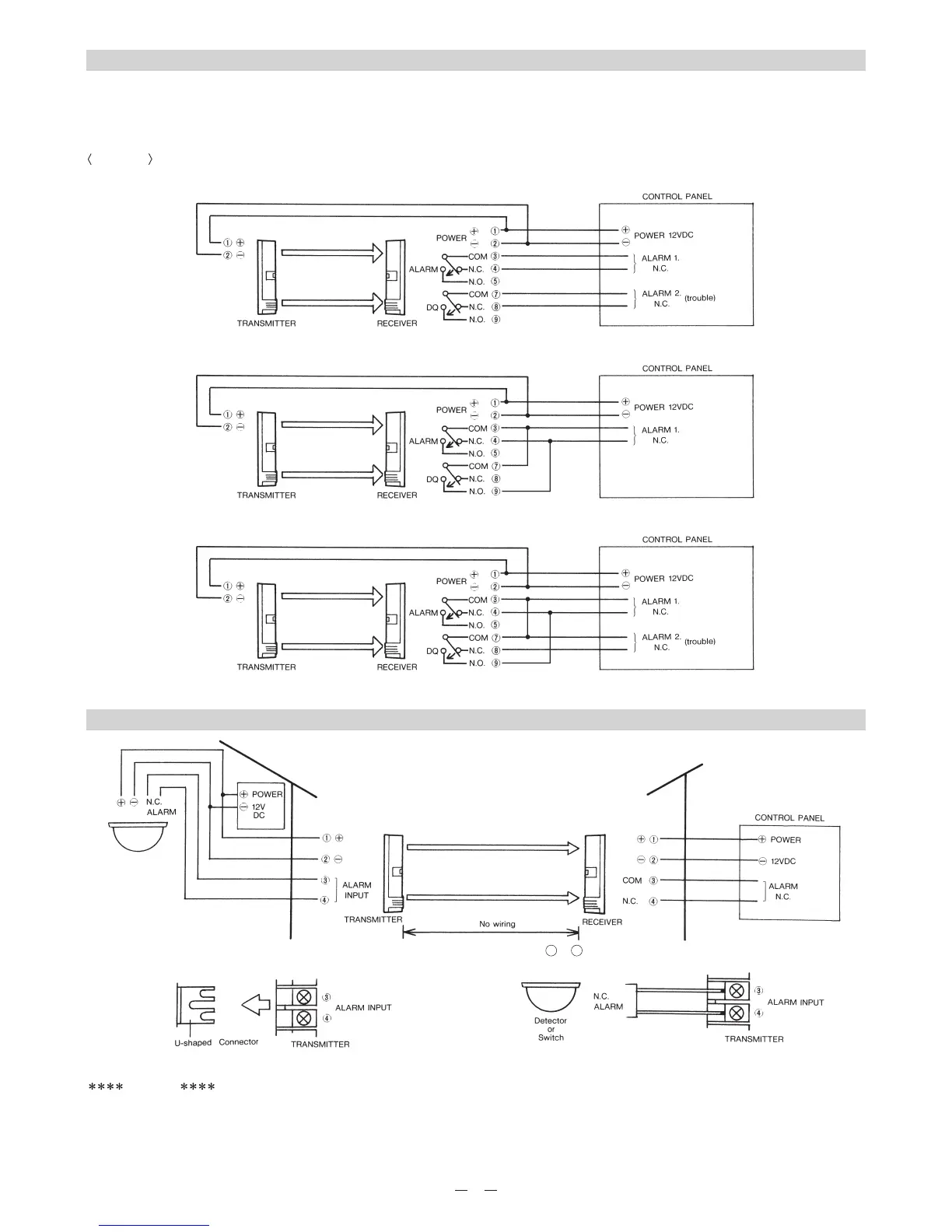
7-3. DQ CIRCUIT (ENVIRONMENTAL DISQUALIFICATION)
D.Q. will send a trouble signal when the beam strength is below an acceptable level due to heavy fog, rain, snow or other changes in
the installation site. The trouble signal output continues as long as the beam strength is below an acceptable level. It will reset when the
environmental conditions clear.
EXAMPLE
A. Trouble Output + Alarm Output
B. Bypasses Alarm
C. Bypasses Alarm + Trouble Output
NOTE : If the control panel's input terminals have the same common, the alarm output, sleep and trouble output can be triggered simultaneously.
7-4. RE-TRANSMITTING CIRCUIT
The advantage of this method is elimination of wiring from a detector or switch, back to the control panel.
Remove the jumper (U shaped connector) from the transmitter's alarm input terminals (
3
&
4
) and connect the N.C. output of the detector or switch.
CAUTION
Make sure you connect the jumper (U shaped connector) when the retransmitting circuit is not in use.
Output of the detector or switch must be N.C. (N.O. is not acceptable.)

Related product manuals