EasyManua.ls Logo

Optimum Optidrill DM35 - Page 30

Optimum Optidrill DM35
74 pages
Print Icon
To Next Page IconTo Next Page
To Next Page IconTo Next Page
To Previous Page IconTo Previous Page
To Previous Page IconTo Previous Page
Loading...
Version 1.0.5 2019-06-05 30 Originalbetriebsanleitung
DM35PFDEGB
DM35PF_parts.fm
OPTIMUM
MASCHINEN - GERMANY
®
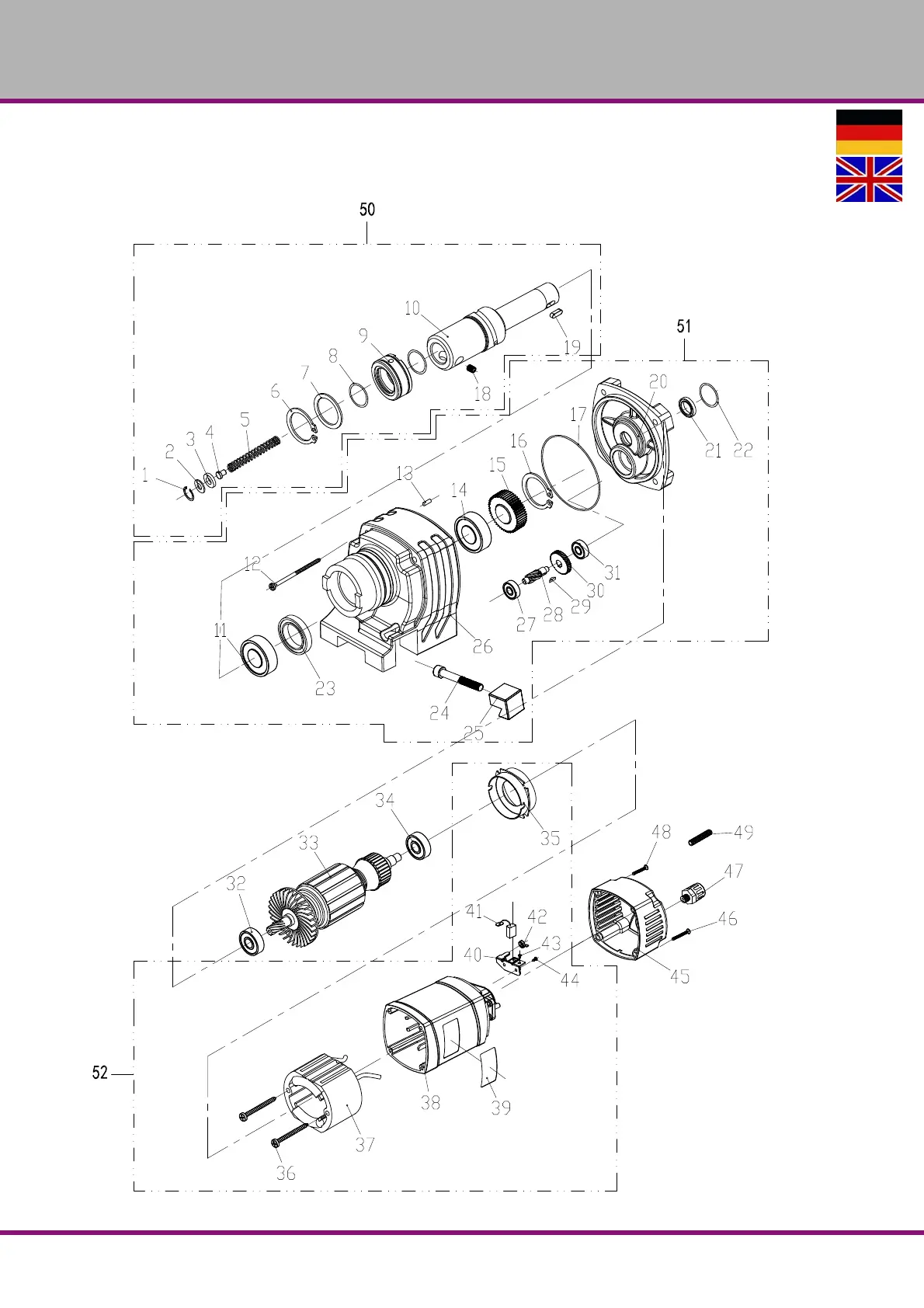
8.3 DM35PF
8.3.1 Bohrkopf- Drilling head
8-4: Bohrkopf - Drilling head - DM35PF

Related product manuals