EasyManua.ls Logo

Optimum Optidrill DM35 - Page 38

Optimum Optidrill DM35
74 pages
Print Icon
To Next Page IconTo Next Page
To Next Page IconTo Next Page
To Previous Page IconTo Previous Page
To Previous Page IconTo Previous Page
Loading...
Version 1.0.5 2019-06-05 38 Originalbetriebsanleitung
DM36VTDEGB
DM36VT_parts.fm
OPTIMUM
MASCHINEN - GERMANY
®
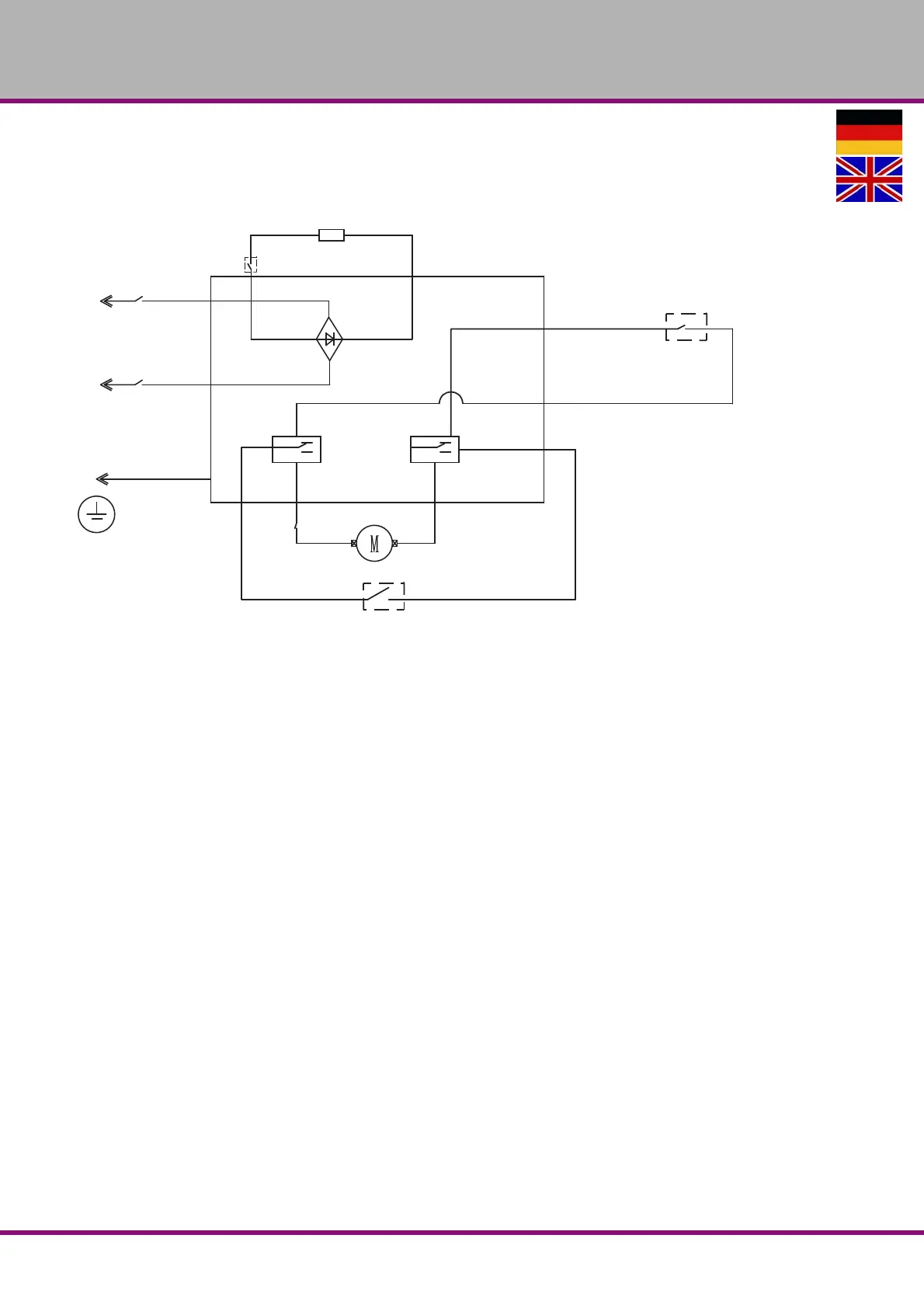
8.4.2 Schaltplan - Wiring diagram
Magnet Switch
Control Mode1
Motor Switch
Relay 2Relay 1
Positive Inverse Switch
Relais 2
Relay 2
Steuerungsmodus 1
Control mode 1
Magnetschalter
Magnet switch
L
N
Relais 1
Relay 1
Motorschalter
Motor switch
Positiver Umkehrschalter
Positive inverse switch

Related product manuals