EasyManua.ls Logo

Optoma ES550 - ES550;ES551;EX550;EX551 System Block Diagram

Optoma ES550
48 pages
Print Icon
To Next Page IconTo Next Page
To Next Page IconTo Next Page
To Previous Page IconTo Previous Page
To Previous Page IconTo Previous Page
Loading...
3
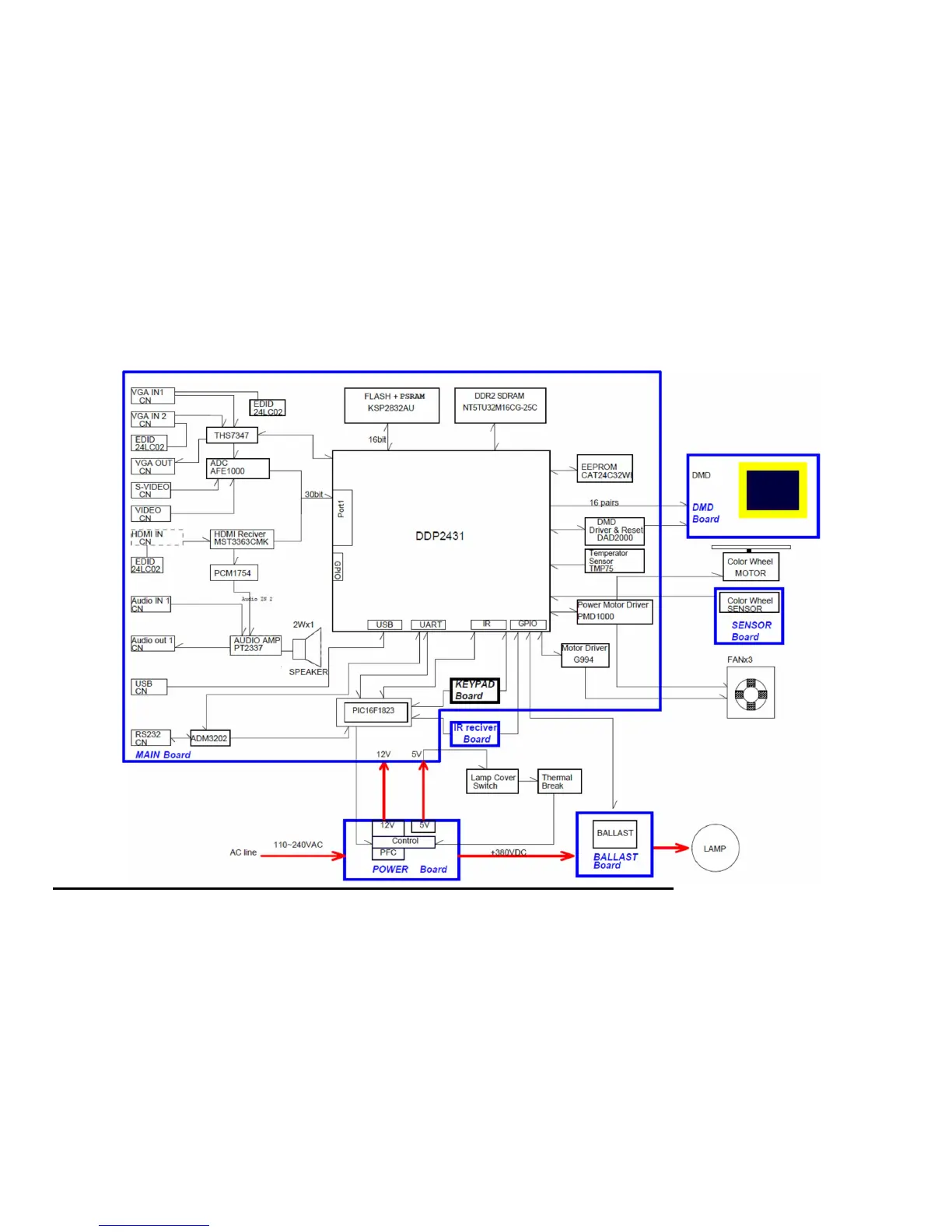
1.2 ES550/ES551/EX550/EX551 System Block Diagram

Other manuals for Optoma ES550

Related product manuals