EasyManua.ls Logo

Oxygen 8 A16 - 5.4 Three-Phase Electrical Hook Up (4 Fans)

Default Icon
42 pages
Print Icon
To Next Page IconTo Next Page
To Next Page IconTo Next Page
To Previous Page IconTo Previous Page
To Previous Page IconTo Previous Page
Loading...
Installation Manual Nova Series
20
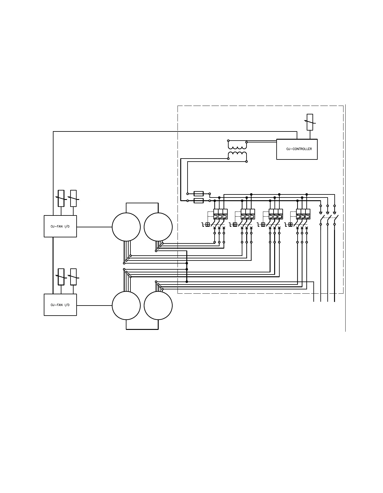
5.4 Three-Phase Electrical Hook Up (4 Fans)
3 phase, 4 wire, 208V, 460V -10% ― +15%, 60Hz
Pieces:
2021-02-11
Scale:
Drawn by:
Approved by:
Date:
Material:
Weight:
Name:
Drawing number:
PM
FAN
MOTOR
DATA CABLE DATA CABLE
0-10V
0-10V
L1
L2
L3GND
tt
tt
t
ENCLOSURE
4/10A for 208V
3/16A for 460V
208V or 460V
24V
1/L1
3/L2
5/L3
2/T1
4/T2
6/T3
I> I> I>
1/L1
3/L2
5/L3
2/T1
4/T2
6/T3
I> I> I>
O28-05-0004-03
NOVA ELECTRICAL LAYOUT 4-FANS;
3-PHASE
1/L1
3/L2
5/L3
2/T1
4/T2
6/T3
I> I> I>
1/L1
3/L2
5/L3
2/T1
4/T2
6/T3
I> I> I>
FAN
MOTOR
FAN
MOTOR
FAN
MOTOR
0-10V
0-10V
REVERSE FEED

Related product manuals