Home
Oxygen 8
Fan
C20
Page 22 (Single-Phase Lite Electrical Hook-Up (2 Fans))
Oxygen 8 C20 - Single-Phase Lite Electrical Hook-Up (2 Fans)
42 pages
Manual
Save Page as PDF
To Next Page
To Next Page
To Previous Page
To Previous Page
Loading...
Installation Manual
Nova Series
22
5.
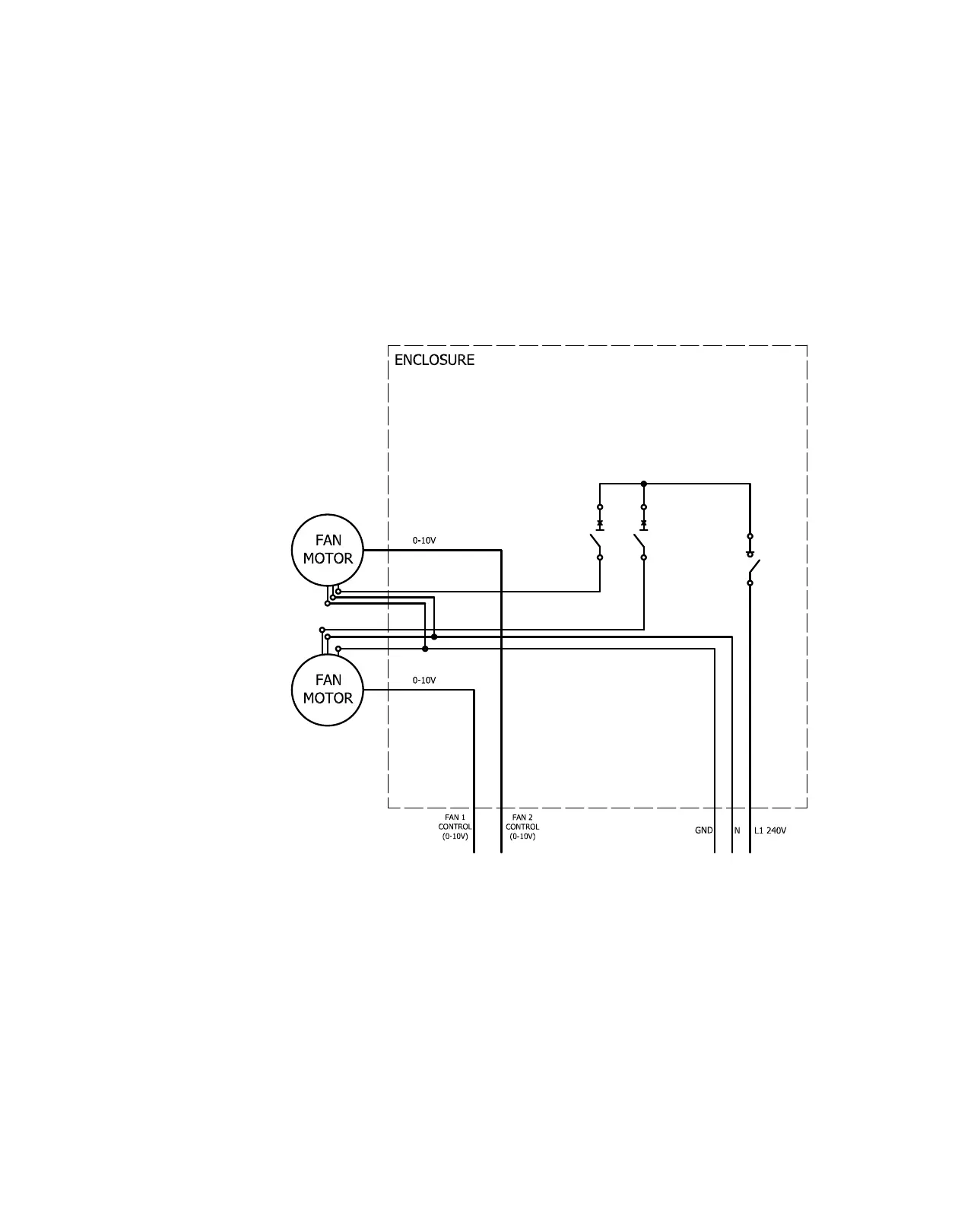
6 Single-Phase Lite Electrical Hook Up (2 Fans)
Attention: Single phase electrical consists of single 240V hot, neutral and ground. Dual 120V feeds will not work.
1 phase, 3 wire, 240V -10% ― +15%, 60Hz
21
23
Table of Contents
Main Page
Table of Contents
2
General Information
3
Installation
4
Unwrapping the Product
4
Assembly
4
Weights
5
Horizontal Installation
6
Front Doors
6
Side Doors
9
Vertical Installation
9
Installation of Accessories
10
Horizontal Coupled Accessories
10
Vertical Coupled Accessories
11
Decoupled Accessories
12
External Sensors
13
Supply Air Temperature Sensor
13
Pressure Sensor
13
CO2/VOC Sensor
14
Combination Temperature/Humidity Sensor
15
Access Requirements
16
Lifting Requirements
16
Electrical Hook-Ups
17
Electrical Information
17
1PH Electrical Hook up (2 Fans)
18
3PH Electrical Hook up (2 Fans)
19
3PH Electrical Hook up (4 Fans)
20
3PH Electrical Hook up (6 Fans)
21
1PH Lite Electrical Hook up (2 Fans)
22
3PH Lite Electrical Hook up (2 Fans)
23
3PH Lite Electrical Hook up (4 Fans)
24
3PH Lite Electrical Hook up (6 Fans)
25
Fan Connection - 1PH
26
Fan Connection - 3PH
27
Wiring Diagrams
28
Nova/ 240V Single Phase/S1
29
Nova 240V, Single Phase S2
30
Nova, Three Phase, S1
31
Nova, Three Phase, S2
32
Field Wiring, DX Coil, EKE
33
Field Wiring, DX Coil, Electric Reheat, EKE
34
Field Wiring, Electric Preheat, DX Coil
35
Field Wiring, Electric Preheat, DX Coil, EKE
36
Field Wiring, Damper Wiring
37
Field Wiring, Electric Reheat Wiring
38
Field Wiring, Electric Preheat
39
Field Wiring, Electric Preheat Wiring
40
Field Wiring, Cooling Water Coil
41
Field Wiring, Humidity Control
42
Related product manuals
Oxygen 8 C24
42 pages
Oxygen 8 VENTUM Series
41 pages
Oxygen 8 NOVA Series
95 pages
Oxygen 8 SERENA
17 pages
Oxygen 8 A16
42 pages
Oxygen 8 A18
42 pages