EasyManua.ls Logo

PAC Stinger ELEV8 - Complete Wiring Diagram Overview

PAC Stinger ELEV8
14 pages
Print Icon
To Next Page IconTo Next Page
To Next Page IconTo Next Page
To Previous Page IconTo Previous Page
To Previous Page IconTo Previous Page
Loading...
Stinger ELEV8 or HEIGH10® Radio Replacement Kit
for Jeep Wrangler JL and Jeep Gladiator JT Vehicles
SRK-JW18EH
© 2020 AAMP Global. All rights reserved. PAC is a Power Brand of AAMP Global.
AAMP Global is not a󰀩liated with FCA US LLC. Jeep® is a registered trademark of FCA US LLC. The terms
OEM, Jeep®, Wrangler®, and Gladiator® all terms are used strictly for identication purposes only. It is not
implied that any part listed is a product of, or approved by, Fiat Chrysler Automobiles.
Pacific Accessory Corporation
Page 2
Rev: v3
Date:100620
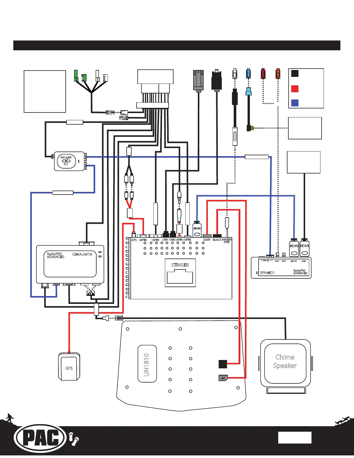
Complete Wiring Diagram Overview
Chime
Speaker
GPS
UN1810
PAC-LINK
PL1
CH4A-JW18
RadioPRO
ADVANCED
RPA-HD1
HD IN
HD OUT
CAM 2
CAM 1
PAC Link
RadioPRO
ADVANCED
HDMI
USB1
USB2
STINGER
BLACK
GRAY
10PIN6PIN
24PIN 16PINGPS
AM/FM
ANT.
HDMI
RPK-JW18-HAR
USB-UN2USB-UN1
A/V IN
SWI
AUX
10P-2-10P-18
10P-2-10P-6
PAC-LINK
16PIN RADIO
10PIN RADIO
PAC
Connection
Stinger
Connection
Main Harness
Connection
*Connections shown
are all required for
full functionality of
the kit and radio. If
adding additional
components,
additional connections
will be needed.
OR
CHIME
Connect to
SXV300 Satellite
Radio Tuner
(sold seperately)
*Only required in
vehicles with Safety
Group features
HDMI
Connect to
HDMI Device
(cable sold
seperately)

Related product manuals