EasyManua.ls Logo

Pace PAO - Advantages of Multiple Control Stages; Maintaining Adequate Airflow; FIGURE 174 - Three Compressor Unit; FIGURE 175 - Six Compressor Unit

Default Icon
108 pages
Print Icon
To Next Page IconTo Next Page
To Next Page IconTo Next Page
To Previous Page IconTo Previous Page
To Previous Page IconTo Previous Page
Loading...
SECTION 3 - HANDLING, STORAGE, AND INSTALLATIONPACE Installation & Assembly Manual
Issue Date: 07/03/2018
106
Form PA102.20-N1
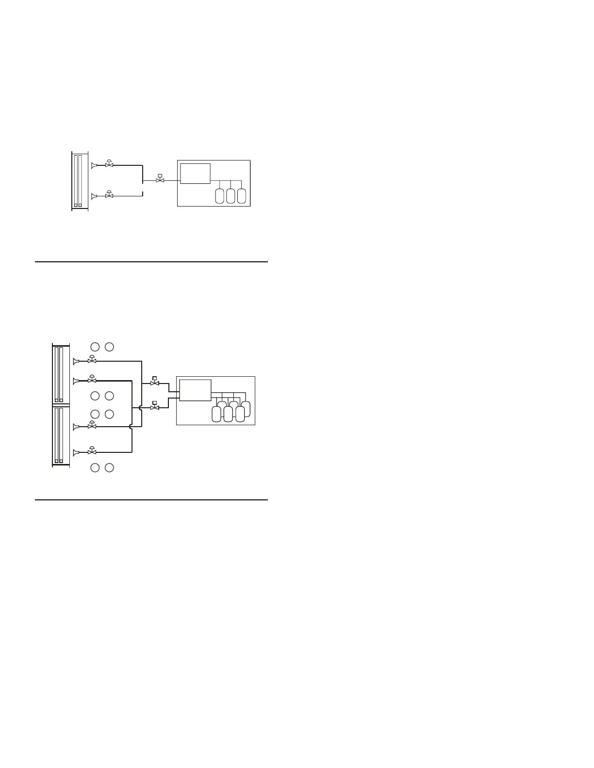
When the condensing AHU has three compressors per
circuit, use two coil circuits for each refrigerant circuit
as shown in Figure 174 on page 106. Each coil circuit
must have a dedicated TXV and distributor to handle
one coil circuit, and the LLSV should be sized to han-
dle the full capacity of the refrigerant circuit. Connect
the HGPB line to all distributors in the coil circuit.
Figure 174 - Three Compressor Unit
LD09151
Compressor #1
TXV
Compressor #3
Feeds Both Circuits
TXV
Compressor #2
LLSV
Condensing Unit
In a stacked coil with four coil circuits piped to a con-
denser with six compressors, the coil circuits would be
face split and interlaced with two interlaced circuits on
the lower coil section and two on the upper section as
shown in Figure 175 on page 106.
1-3
4-6
4-6
1-3
Figure 175 - Six Compressor Unit
LD09153
Comp
TXV1
TXV3
TXV2
TXV4
Comp
Comp
Comp
DX Coils
LLSV1
LLSV2
Condensing Unit
When sizing TXVs, size the TXV for the refrigerant cir-
cuit tonnage divided by the number of DX coil liquid
distributors, which should be equal to or smaller than
the calculated value.
The first three compressors would be tied into LLSV1,
TXV1 and TXV2, which would provide full face control
of the coil at the lowest cooling loads. Both distributors
on each coil circuit would include auxiliary side con-
nectors for HGBP.
The second set of three compressors would be tied
into LLSV2, TXV3, and TXV4 to maintain full-face con-
trol at higher loads.
Advantages of Multiple Control Stages
The more control stages used, the more precise the
control of the air temperature will be. Smaller incre-
mental changes in capacity will result in a more con-
sistent DX coil leaving air temperature, which will elimi-
nate temperature swings in the conditioned space and
improve the comfort level. But more importantly, a con-
sistent space temperature is crucial to many process
applications.
The smaller changes in capacity that result from us-
ing a greater number of control stages will also extend
equipment life. The most important thing to remember
is to maintain full-face control of the coil at all cooling
loads. When row split coils are used, make sure that
the first LLSV is energized with the last coil circuit in
the leaving air stream, which is always the last one de-
energized too.
MAINTAINING ADEQUATE AIRFLOW
An electrical interlock between the AHU and the con-
denser must be included for permissive run of the
condenser. In addition, a differential pressure switch
mounted across the supply fan must always be in-
cluded to ensure airflow across the coil before the con-
densing AHU is energized. The condenser must never
be operated unless the AHU fan is operating and air
is flowing across the active coil. Insufficient airflow will
result in liquid refrigerant returning to the condensing
AHU, which could damage the compressors by liquid
slugging or washing oil from the bearing surfaces.
In variable volume systems, the minimum acceptable
airflow for fixed speed or variable air volume (VAV) sys-
tems is 350 FPM face velocity across each DX coil, as
applied to split DX systems. Make sure that the TXV
does not overfeed, because it could cause compressor
failure.
The air velocity flowing through chilled water and direct
expansion coils must not exceed specific recommend-
ed values to prevent water carryover.

Table of Contents

Related product manuals