EasyManua.ls Logo

Pace PAO - FIGURE 109 - UV Control Panel Wiring (Greater than 8 Amps)

Default Icon
108 pages
Print Icon
To Next Page IconTo Next Page
To Next Page IconTo Next Page
To Previous Page IconTo Previous Page
To Previous Page IconTo Previous Page
Loading...
SECTION 3 - HANDLING, STORAGE, AND INSTALLATIONPACE Installation & Assembly Manual
Issue Date: 07/03/2018
68
Form PA102.20-N1
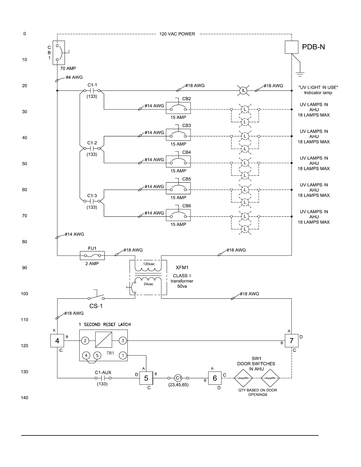
Sequence of Operation:
Disconnecting Means of UV lighting will be accomplished by "CB1" internal to the panel. "CB1" is cable of being locked out by panel latching
mechanism.
"SW1" is a proximity switch with a magnet, which will close a set of normally open contracts. The magnet will engage the "SW1" contact when-
ever it is within 1/2" of the switch.
"TDR1" is one second (1sec) time delay relay having normally open contacts. When power is initiated, its contacts will close for one second
then re-open. To reset, power, power must be removed from "TDR1"
"C1" is a dpdt 24 vac control relay, used to seal-in its coil and provide interlocking means to the UV lights.
If all doors are closed, all the "SW1"s will allow "C1" to energize, as long as power is available.
By selecting "CS-1" to the "on" position, the 24vac control power circuit will be energized. As long as all doors with door switches (SW1) are
closed and upon detection of power to the 1 second time-delay realy (TDR-1), the "TDR-1" normally open contracts will close for one second,
energizing the contactor "C1" will remain energized. Should any one door having "SW1" mounted, were to open, "C1" will de-energize, deacti-
vating the UV lamps. Closing all doors will not turn on UV lights. "CS-1" will be required, to be cycled "Off" then back "On" to allow the lights to
come back on. If the power is removed from the UV control panel and re-energized (such as when power uctuates off then back on), the UV
lights will reactivate automatically. The "IL" "UV Light In USe" indicator lamp will allow the user to know if the lights have been energized.
LD16609
Figure 109 - UV Control Panel Wiring (Greater Than 8 Amps)

Table of Contents

Related product manuals