EasyManua.ls Logo

Pahlen Aqua compact - Wiring Diagram

Pahlen Aqua compact
7 pages
Print Icon
To Next Page IconTo Next Page
To Next Page IconTo Next Page
To Previous Page IconTo Previous Page
To Previous Page IconTo Previous Page
Loading...
13
ENGLISH
Electric heater Aqua compact
MA45-25 GB Translation of the original instructions (Swedish)
Aqua Compact 380-415V 3-phase
C2
C1
L3
L2
L1
E10089-0
2020-10-08 ASA
A1A1 A2A2
L1
L2
L3
BU = Blue
PK = Pink
WH = White
3 1
BU
BU
WH
WH
PK
PK
Aqua Compact
F1
M
N
L1
L1
N
M
Aqua Compact 220-240V 3-phase
C2
C1
L3
L2
L1
E10090-0
2020-10-06 ASA
A1A1 A2A2
L1
L2
L3
BU = Blue
PK = Pink
WH = White
3 1
BU
BU
WH
WH
PK
PK
Aqua Compact
F1
M
L1
L2
L1
N
M
Aqua Compact 220-240V 1-phase
C2
C1
N
L1
E10091-0
2020-10-08 ASA
A1A1 A2A2
L1
L2
L3
BU = Blue
PK = Pink
WH = White
3
1
BU
BU
WH
WH
PK
PK
Aqua Compact
F1
M
N
L1
L1
N
M
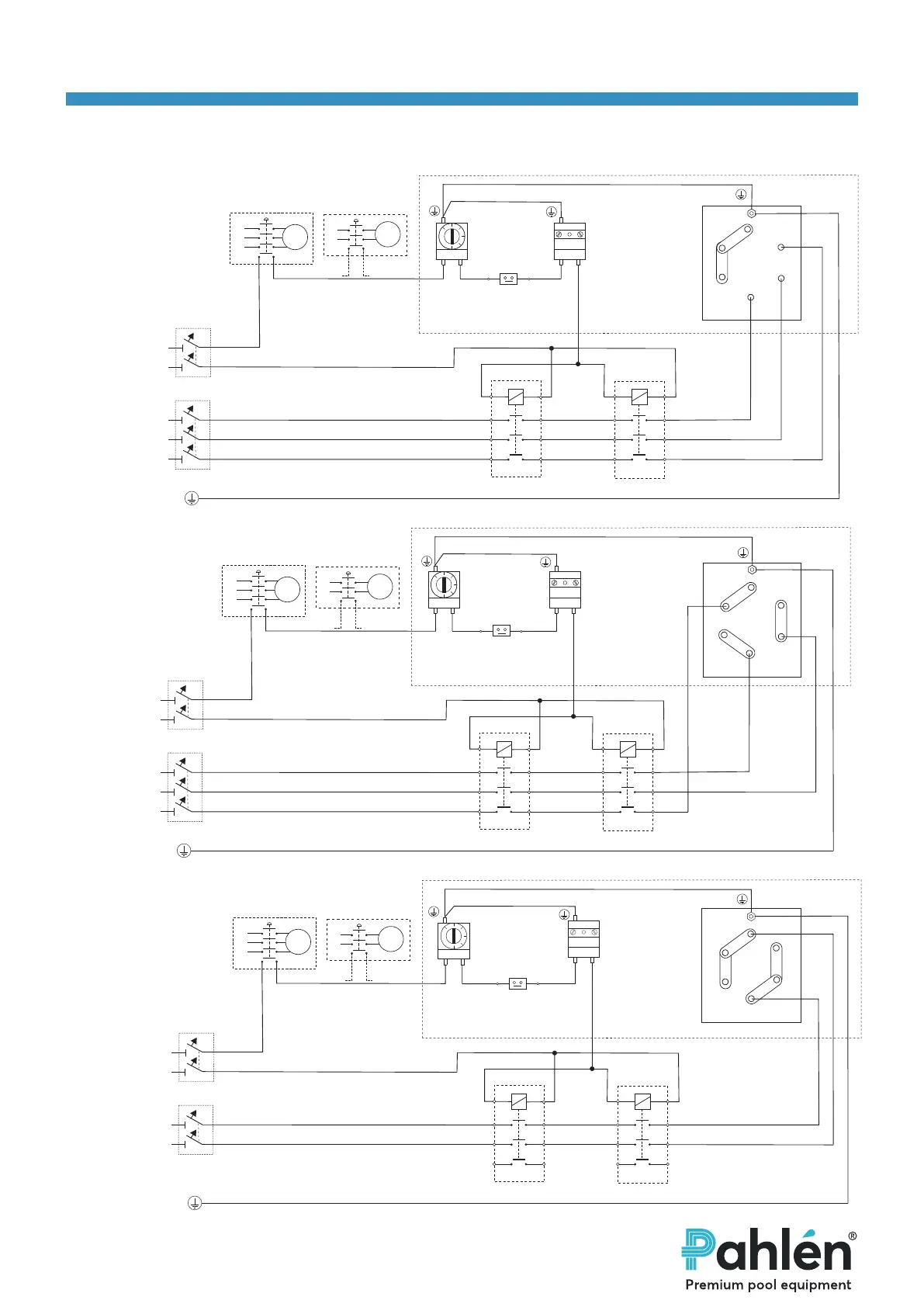
380–415 V 3~
BU = blue
PK = pink
WH = white
Wiring diagram
Overheating
protection
Pressostat pin 1 and 3
or Flow guard
Potential-free contact
External motor
protection
3-phase
Thermostat
Heater element
3-18 kW
Fuse
5–10 A
External motor
protection
1-phase
220-240 V 3~
BU = blue
PK = pink
WH = white
Overheating
protection
Pressostat pin 1 and 3
or Flow guard
Potential-free contact
External motor
protection
3-phase
Thermostat
Heater element
3-18 kW
Fuse
5–10 A
External motor
protection
1-phase
220-240 V 1~
BU = blue
PK = pink
WH = white
Overheating
protection
Pressostat pin 1 and 3
or Flow guard
Potential-free contact
External motor
protection
3-phase
Thermostat
Heater element
3-6 kW
Fuse
5–10 A
External motor
protection
1-phase

Related product manuals