EasyManua.ls Logo

Palstar AT2KD - AT2 KD Schematic; Schematic Diagram; Component Identification

Palstar AT2KD
10 pages
Print Icon
To Previous Page IconTo Previous Page
To Previous Page IconTo Previous Page
Loading...
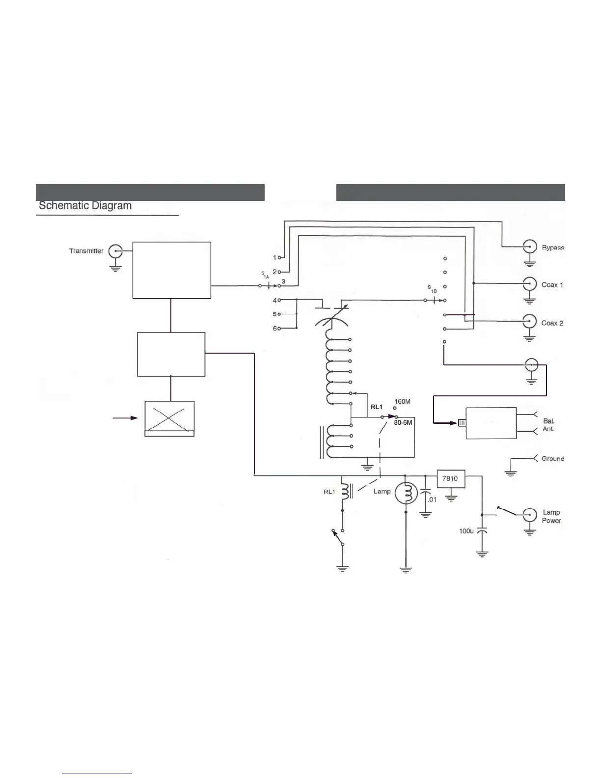
10 AT2KD Sc hematic
1-800-773-7931 WWW.PALSTAR.COM
MODEL AT2KD DIFF-T TUNER
Directional
Coupler
Peak/Peak
Hold
PCB
Cross Needle
SWR/Power
Meter
8
12
µ
Fix
e
Indu
c
AT2KD Schematic 11
1-800-773-7931 WWW.PALSTAR.COM
Optional
Balun
1:1 or 4:1
(B2KD-1:1)
(B2KD-4:1)
160M
8
0M-6M
SW
µ
H
e
d
c
to
r
430-13-430pf
18 µH
Coax-Bal-Wire
Rear Panel

Other manuals for Palstar AT2KD

Related product manuals