EasyManua.ls Logo

Panasonic AJ-D440 - When Recording, Playback and Editing with 2 Units

Panasonic AJ-D440
68 pages
Print Icon
To Next Page IconTo Next Page
To Next Page IconTo Next Page
To Previous Page IconTo Previous Page
To Previous Page IconTo Previous Page
Loading...
– 16 –
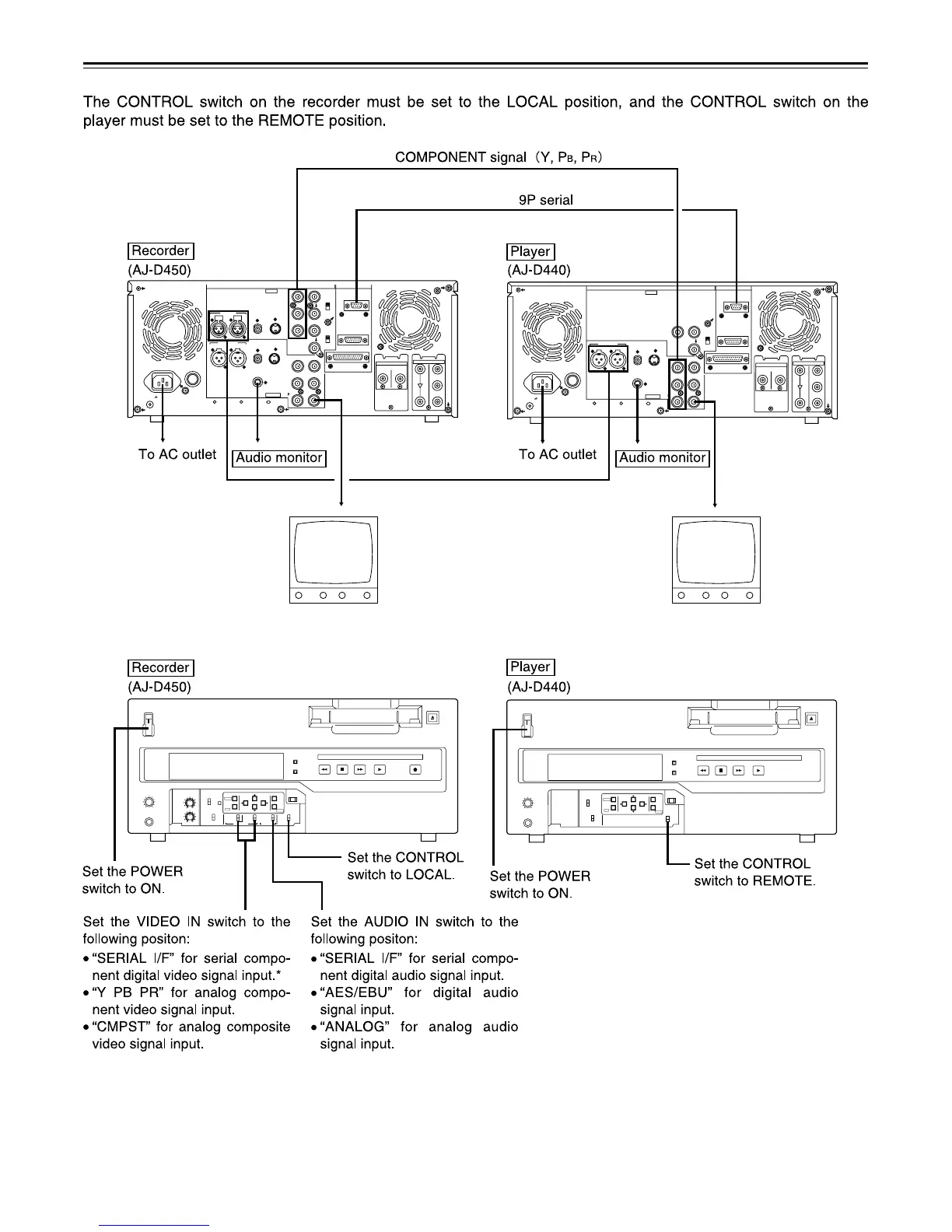
When recording, playback & editing with 2 units (deck to deck)