EasyManua.ls Logo

Panasonic AJ-D440 - Internal Encoder Adjustments

Panasonic AJ-D440
68 pages
Print Icon
To Next Page IconTo Next Page
To Next Page IconTo Next Page
To Previous Page IconTo Previous Page
To Previous Page IconTo Previous Page
Loading...
– 18 –
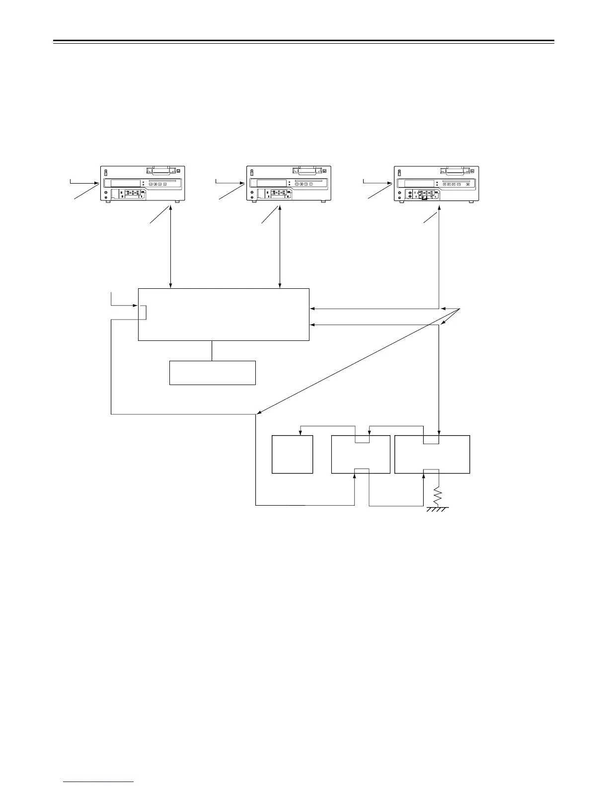
Internal encoder adjustments
In order to ensure error-free and accurate editing during AB roll editing (a method of editing using two source
VTRs) using an editor, the ENCODER OUT controls must be adjusted after the system has been connected.
(These controls must be re-adjusted each time the connecting cables are replaced or the connections are
changed.)
Connect the equipment as shown in the figure below.
If a waveform monitor and vectorscope are not available, correct any color shifting while actually monitoring the
picture on the TV monitor.
Make these three
cables equally long.
The external reference signal is
supplied from the sync signal
generator to the equipment.
Composite connections apply
for the video signals.
VIDEO 1
OUT
VIDEO 1
OUT
VIDEO IN
REF (BB)
P1 IN P2 IN
REF IN
RECORDER OUT
MONITOR OUT
75
Switcher
TV
monitor
WFM
(waveform
monitor)
VSC
(vectorscope)
P1 (AJ-D440) P2 (AJ-D440) Recorder (AJ-D750/AJ-D450)
REF
(BB)
REF
VIDEO IN
REF
(BB)
REF
VIDEO IN
REF
(BB)
Editing controller
(AG-A850)
REF
VIDEO IN
q
w
ON
OFF
POWER
EJECT
RECPLAYFFSTOPREW
COUNTER/
REMAIN
RESET
CH CONDITION
LEVEL
HEADPHONES
CH 1
AUDIO
REC LEVEL
CTL
TC
UB
CH 1
MIX
CH 2
INT
EXT
TC
AUDIO
MONITOR
DIGITAL
ANALOG
Y PB PR
CMPST
S-VIDEO
DIGITAL
AES/EBU
ANALOG
REMOTE
LOCAL
MENU
PAGE
TC
PRESET
FILE
SET
DIAG
VIDEO IN
AUDIO IN
CH 2

Other manuals for Panasonic AJ-D440

Related product manuals