EasyManua.ls Logo

Panasonic AJ-D455 - Rear Panel Connector Layout

Panasonic AJ-D455
52 pages
Print Icon
To Next Page IconTo Next Page
To Next Page IconTo Next Page
To Previous Page IconTo Previous Page
To Previous Page IconTo Previous Page
Loading...
11
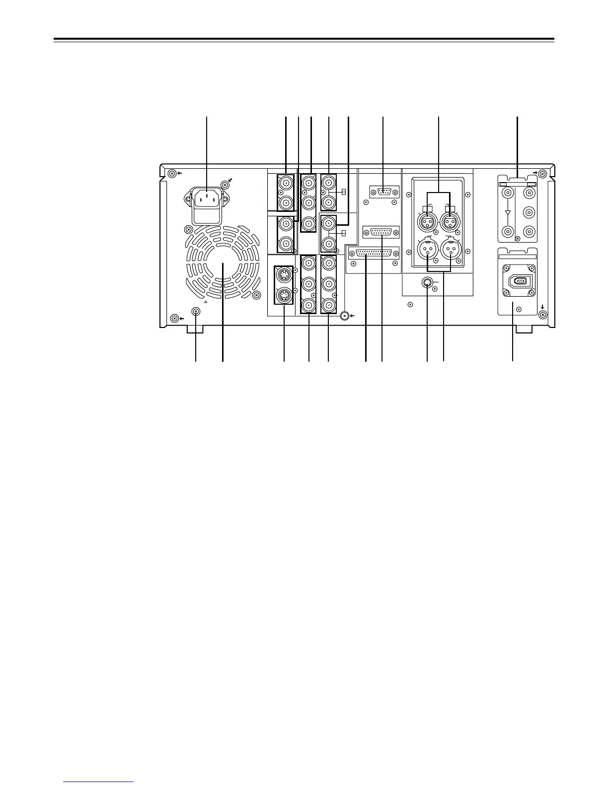
Connector area
DIGITAL
DIGITAL
IN OUT
REMOTE
VIDEO
IN
VIDEO
OUT
REF VIDEO
IN
RS-232C
ENCODER REMOTE
ANALOGREMOTE
ANALOGTIME CODE
AES/EBU
AUDIO
MONITOR
OPTION 1
OPTION 2
DVCPRO/DV
(VJH1193)
ON
OFF
75
ON
OFF
75
1
Y
Y
S1-VIDEO
IN
S1-VIDEO
OUT
P
B
P
B
P
R
P
R
2
3
(SUPER)
IN
OUT
IN
OUT
~AC IN
SIGNAL
GND
AUDIO
IN
AUDIO
OUT
CH2
CH1
CH2
CH1
SERIAL IN SERIAL OUT
1
2
3
qrtyuio
w
e
!0
!1 !2 !3 !4 !5 !6 !7 !9
!8