EasyManua.ls Logo

Panasonic CQ-C1323NW - Page 10

Panasonic CQ-C1323NW
30 pages
To Next Page IconTo Next Page
To Next Page IconTo Next Page
To Previous Page IconTo Previous Page
To Previous Page IconTo Previous Page
Loading...
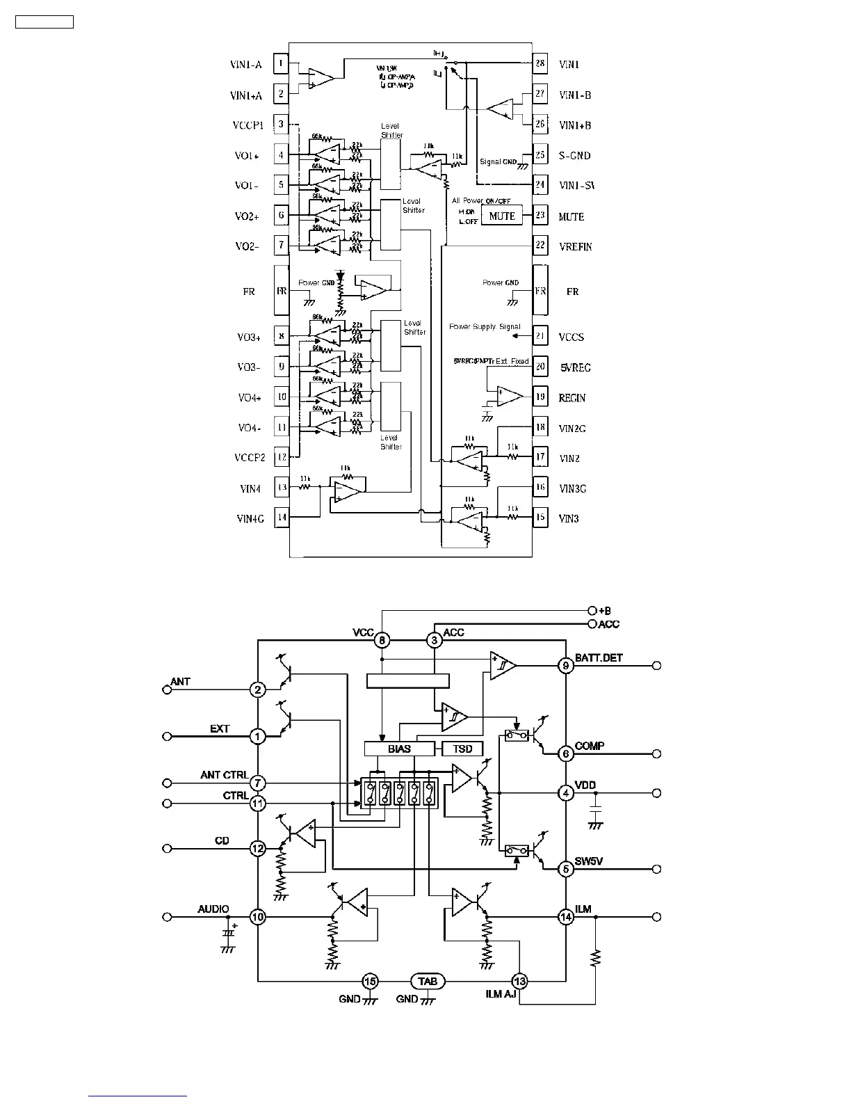
IC401 : C1BB00001088
IC701 : C0DAZHF00004
10
CQ-C1323NW

Other manuals for Panasonic CQ-C1323NW

Related product manuals