EasyManua.ls Logo

Panasonic CQ-C8301N - IC Block Diagram

Panasonic CQ-C8301N
62 pages
To Next Page IconTo Next Page
To Next Page IconTo Next Page
To Previous Page IconTo Previous Page
To Previous Page IconTo Previous Page
Loading...
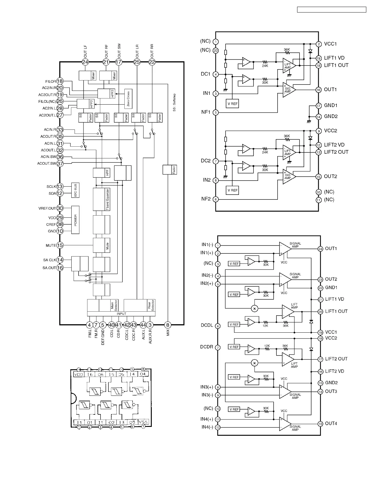
12.1. Main Block
IC201 : C1BB00000796
IC670 : YEAMC14584BE
IC241 : C1BB00000650 (CQ-C8351N/C8301N)
IC251 : C1BB00000649 (CQ-C8351N/C8301N)
12 IC BLOCK DIAGRAM
17
CQ-C8351N / CQ-C8301N / CQ-C7301N

Other manuals for Panasonic CQ-C8301N

Related product manuals