EasyManua.ls Logo

Panasonic CQ-C8301N - Block Diagram

Panasonic CQ-C8301N
62 pages
To Next Page IconTo Next Page
To Next Page IconTo Next Page
To Previous Page IconTo Previous Page
To Previous Page IconTo Previous Page
Loading...
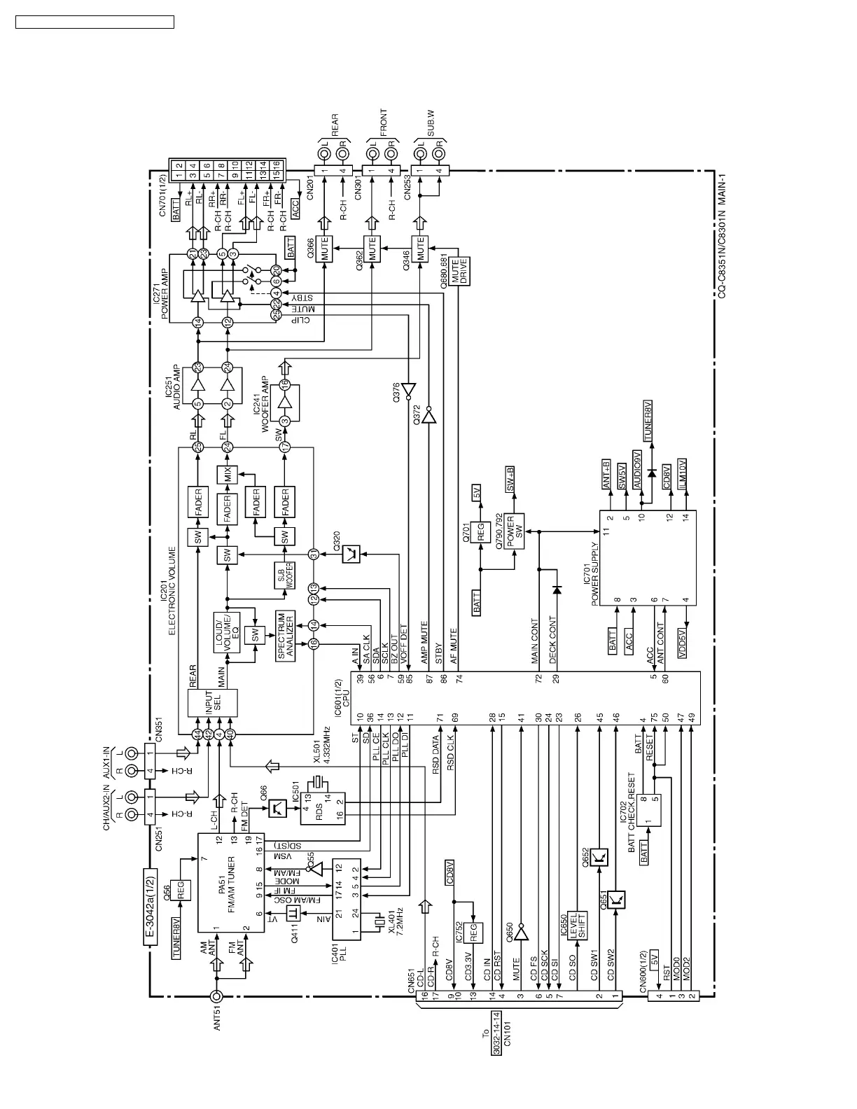
9 BLOCK DIAGRAM
9.1. Main-1 Block [CQ-C8351N/C8301N]
6
CQ-C8351N / CQ-C8301N / CQ-C7301N

Other manuals for Panasonic CQ-C8301N

Related product manuals