EasyManua.ls Logo

Panasonic CQ-DP383W - 17 Packing Parts List

Panasonic CQ-DP383W
82 pages
To Next Page IconTo Next Page
To Next Page IconTo Next Page
To Previous Page IconTo Previous Page
To Previous Page IconTo Previous Page
Loading...
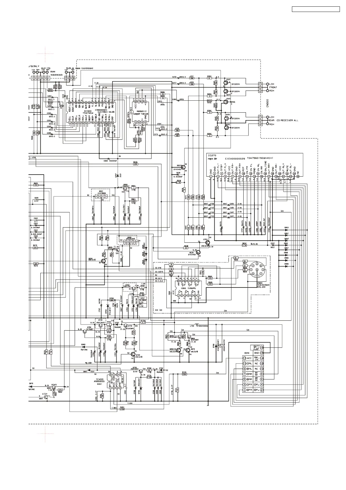
17.2. Main Block (Right Side)
CQ-DP383(U.W.WJ) Main Block
35
CQ-DP383W / CQ-DP383WJ

Other manuals for Panasonic CQ-DP383W

Related product manuals