EasyManua.ls Logo

Panasonic CQ-RDP112N

Panasonic CQ-RDP112N
28 pages
To Next Page IconTo Next Page
To Next Page IconTo Next Page
To Previous Page IconTo Previous Page
To Previous Page IconTo Previous Page
Loading...
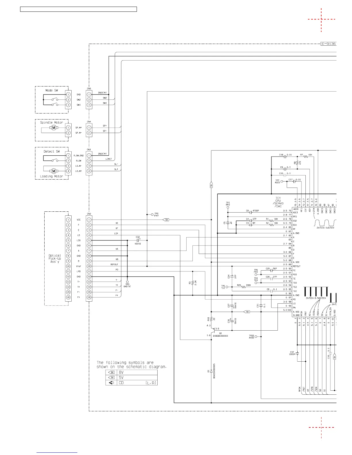
17.2. CD Servo Block
CQ-RDP162N / CQ-RDP112N / CQ-RDP152N / CQ-RDP142N / CQ-RDP102N
24

Other manuals for Panasonic CQ-RDP112N

Related product manuals