EasyManua.ls Logo

Panasonic CQ-RDP112N

Panasonic CQ-RDP112N
28 pages
To Next Page IconTo Next Page
To Next Page IconTo Next Page
To Previous Page IconTo Previous Page
To Previous Page IconTo Previous Page
Loading...
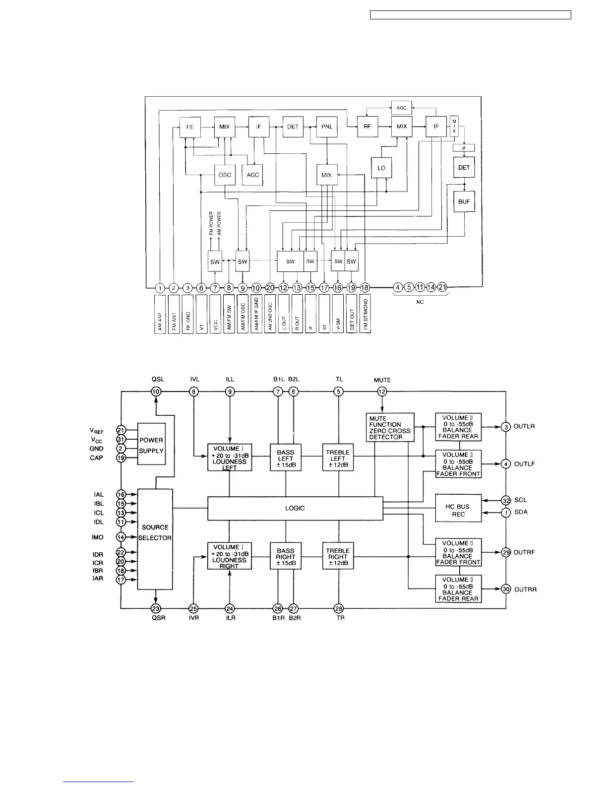
10.1. Main Block
10 PACKAGE AND IC BLOCK DIAGRAM
PA51 : C5BA00000103
IC201 : YEAMEA6320TT
7
CQ-RDP162N / CQ-RDP112N / CQ-RDP152N / CQ-RDP142N / CQ-RDP102N

Other manuals for Panasonic CQ-RDP112N

Related product manuals