EasyManua.ls Logo

Panasonic CS-C9PKV - Cs-C18 Pkv Cu-C18 Pkv

Panasonic CS-C9PKV
114 pages
To Next Page IconTo Next Page
To Next Page IconTo Next Page
To Previous Page IconTo Previous Page
To Previous Page IconTo Previous Page
Loading...
22
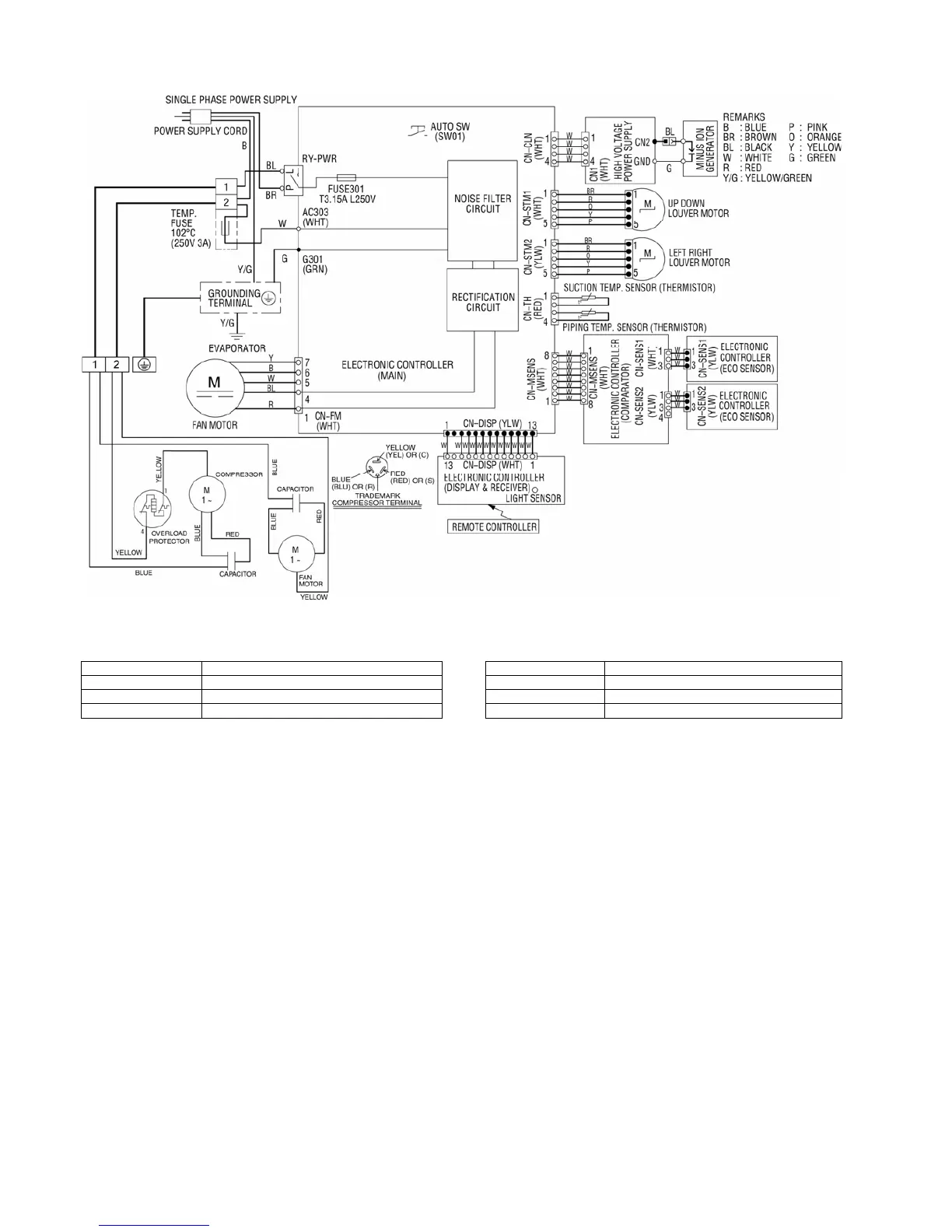
8.2 CS-C18PKV CU-C18PKV
Resistance of Outdoor Fan Motor Windings
Resistance of Compressor Windings
MODEL CU-C18PKV MODEL CU-C18PKV
CONNECTION CWA951707 CONNECTION 2KS252F5AA06
BLUE-YELLOW 45 C-R 2.043
YELLOW-RED 58 C-S 2.986
Note: Resistance at 20°C of ambient temperature. Note: Resistance at 20°C of ambient temperature.

Table of Contents

Other manuals for Panasonic CS-C9PKV

Related product manuals