EasyManua.ls Logo

Panasonic CS-E12EKEB - Wiring Diagram; Wiring Diagrams by Model

Panasonic CS-E12EKEB
62 pages
Print Icon
To Next Page IconTo Next Page
To Next Page IconTo Next Page
To Previous Page IconTo Previous Page
To Previous Page IconTo Previous Page
Loading...
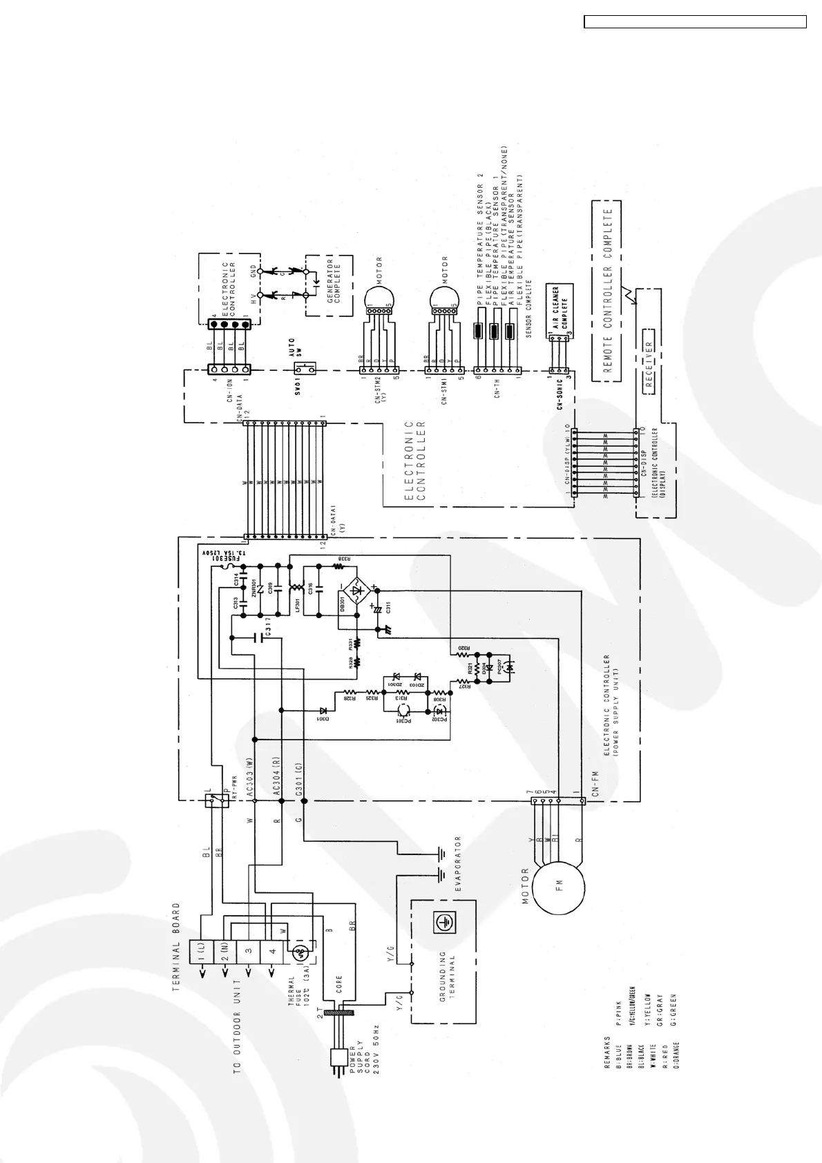
8 Wiring Diagram
8.1. CS-C9EKEB CS-C12EKEB
15
CS-E9EKEB CU-E9EKEB / CS-E12EKEB CU-E12EKEB

Table of Contents

Related product manuals